Запчасти Case CX36B (03-008) - HYD LINES ARM 1.32M (35) - HYDRAULIC SYSTEMS

Схема запчастей Case CX36B - (03-008) - HYD LINES ARM 1.32M (35) - HYDRAULIC SYSTEMS
d2
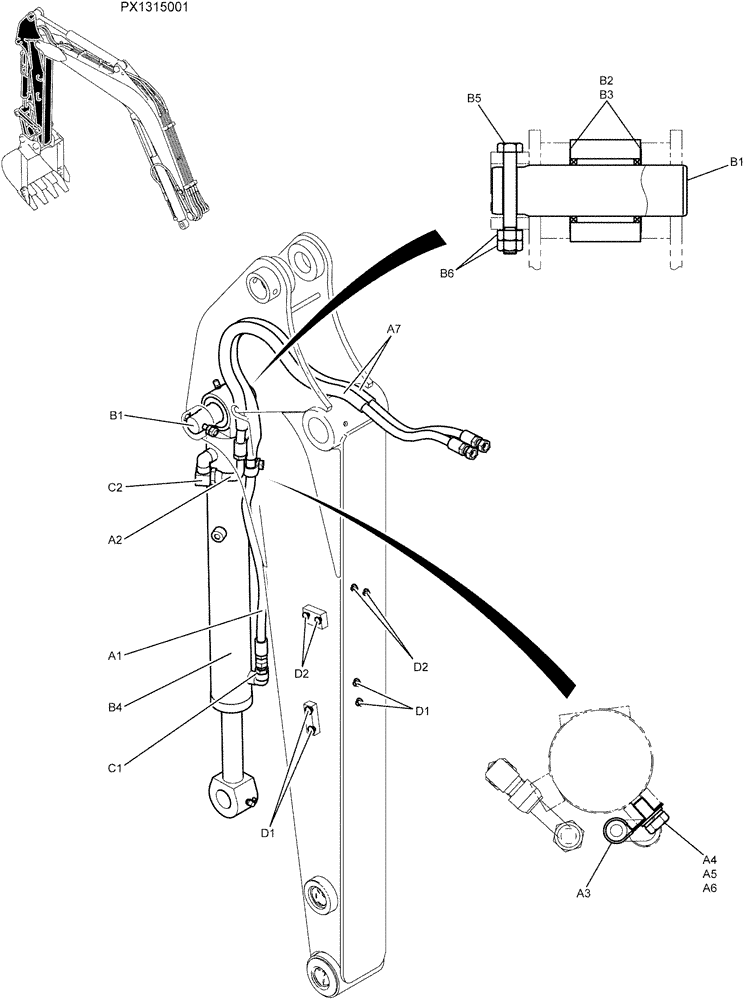
b1
a6
c1
b2
a4
b4
d1
a1
a3
b6
a5
b1
d1
a7
a2
d2
c2
b5
b3
FIT
1:1
100%

Артикул

Название

Примечание

Количество

NSS

NOT SOLD SEPARAT

HYD LINES, ARM 1.32M

1шт.

PX43H00025F1

HYD LINES, ARM

1шт.

a1

PM42H01042D5

HOSE,9.5mm ID x 1440mm L

Bucket Cylinder

1шт.

a2

PX42H01169D2

HOSE,9.5mm ID x 990mm L

Bucket Cylinder

1шт.

a3

ZC46X16011

CLIP

1шт.

a4

ZW16X10000

WASHER

1шт.

a5

ZS18C10020

SCREW,Hex, M10 x 20mm

Cap

1шт.

a6

ZW26X10000

LOCK WASHER

1шт.

a7

2414Z199D60

PROTECTIVE SLEEVE

2шт.

PX12B00108F1

CYLINDER INSTAL

1шт.

b1

PX12B01206P1

PIN,40mm OD x 157mm L

1шт.

b2

PR12B01113P1

SHIM,0.5mm Thk

1шт.

b3

PR02B01123D1

SHIM,0.9mm Thk

1шт.

b4

PX01V00064F1

HYDRAULIC CYLINDER

CYLINDER ASSY, BUCKET

1шт.

SEE (C.P.M)

1шт.

b5

HS18C10080G3

BOLT

CAP

1шт.

b6

ZN18C10008

NUT

2шт.

PX43H00024F1

HYD LINES, CYLINDER

1шт.

c1

HH25S06006G1

HYD CONNECTOR

1шт.

c2

HH35S06006G1

90 ELBOW,90 Degree, 3/8" PF x 3/8" PF x 60mm L

1шт.

PX43H01011F1

CAP ASSY

1шт.

d1

PV02B01073D4

CAP

4шт.

d2

PV02B01073D2

CAP

4шт.

Выбрано товаров: 23