Качественные детали и логистика
Оригинальные и аналоговые запчасти с доставкой по России, Казахстану и Беларуси
©2022 PartSell ООО "Система" ИНН 2463123282 ОГРН 1212400004838
Центральный офис: г. Красноярск, Академика Киренского, д.87, пом.4
Телефон: 8 (800) 777-65-74 Email: zakaz@partsell.ru
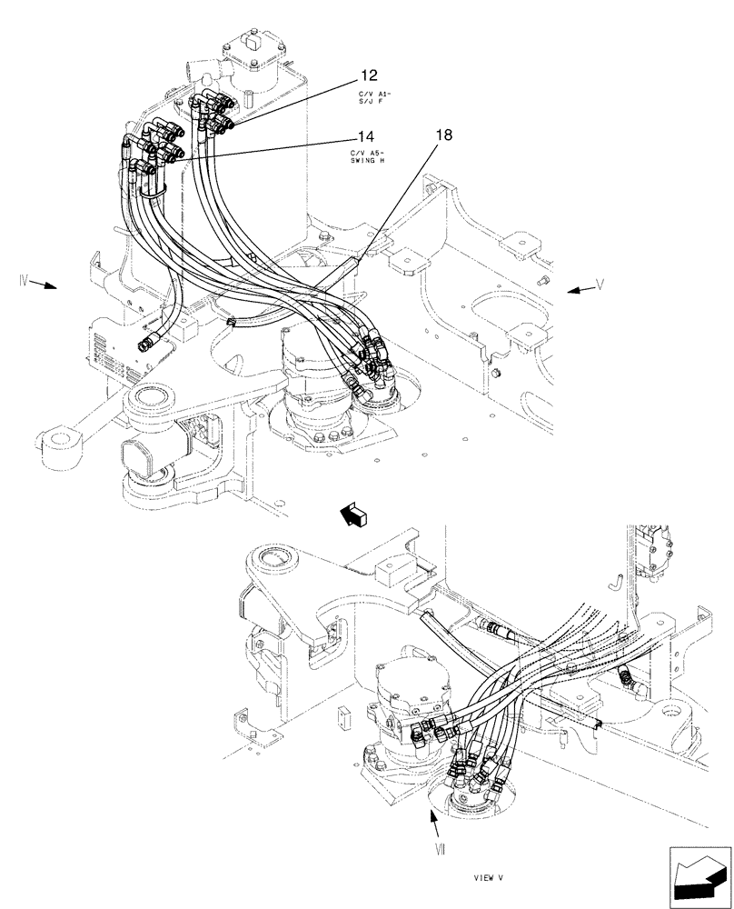
(01-036[02]) - HYD LINES, UPP
№
Артикул
Название
Примечание
Количество
12
HX35L06094DY
HOSE,9.5mm ID x 940mm L
1шт.
14
HX35L06054DY
HOSE,9.5mm ID x 540mm L
18
YN64H01068D6
RUBBER
Выбрано товаров: 0