Запчасти Case CX36B (01-036[03]) - HYD LINES, UPP (35) - HYDRAULIC SYSTEMS

Схема запчастей Case CX36B - (01-036[03]) - HYD LINES, UPP (35) - HYDRAULIC SYSTEMS
13
12
8
7
19
12
11
9
10
FIT
1:1
100%

Артикул

Название

Примечание

Количество

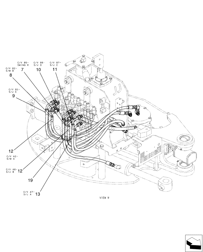
7

PW03H01101D6

HOSE,9.5mm ID x 740mm L

1шт.

8

PW03H01101D2

HOSE,9.5mm ID x 1050mm L

1шт.

9

PW03H01101D7

HOSE,9.5mm ID x 1100mm L

1шт.

10

PW03H01101D3

HOSE,9.5mm ID x 1000mm L

1шт.

11

PW03H01101D4

HOSE,9.5mm ID x 960mm L

1шт.

12

HX35L06094DY

HOSE,9.5mm ID x 940mm L

1шт.

13

HX35L06090DY

HOSE,9.5mm ID x 900mm L

1шт.

19

PY01P01043D8

CABLE TIE,102mm L

1шт.

Выбрано товаров: 8