Запчасти Case CX36B (01-056[02]) - CONTROL LINES, REMOTE (J/D MULTI) - SN PX15-21105 - 21961 (35) - HYDRAULIC SYSTEMS

Схема запчастей Case CX36B - (01-056[02]) - CONTROL LINES, REMOTE (J/D MULTI) - SN PX15-21105 - 21961 (35) - HYDRAULIC SYSTEMS
17
5
1
14
6
10
13
11
8
17
16
16
2
7
18
9
12
17
15
4
3
FIT
1:1
100%

Артикул

Название

Примечание

Количество

.

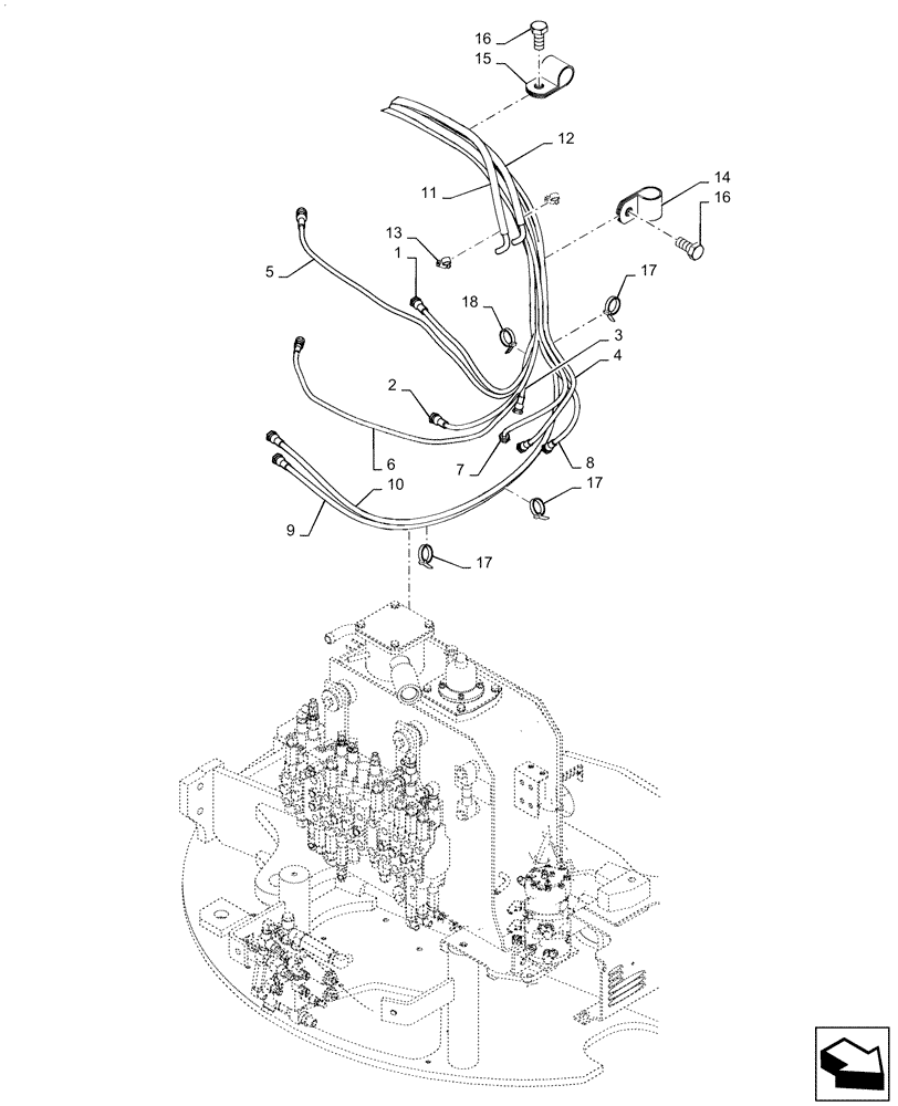
Control Lines, Remote, J/D Multi PW68H00031F1

1шт.

1

HX33L03135DR

HOSE,4.8mm ID x 1350mm L

P/V 1 - C/V Pb10

1шт.

2

HX23L03110DB

HOSE,4.8mm ID x 1100mm L

P/V 2 - C/V Pa10

1шт.

3

HX33L03105DG

HOSE

Multi 3 - P/V 3

1шт.

4

HX23L03115DH

HOSE

Multi 4 - P/V 4

1шт.

5

HX23L03330DH

HOSE,4.8mm ID x 3300mm L

P/V 5 - C/V Pb2

1шт.

6

HX23L03310DR

HOSE,4.8mm ID x 3100mm L

P/V 6 - C/V Pa2

1шт.

7

HX23L03280DB

HOSE

Multi 7 - P/V 7

1шт.

8

HX23L03270DG

HOSE

Multi 8 - P/V 8

1шт.

9

HX34L04185DX

HOSE,6.3mm ID x 1850mm L

S/V A2 - P/V P (RH)

1шт.

10

HX24L04340DX

HOSE,6.3mm ID x 3400mm L

S/V A2 - P/V P (LH)

1шт.

11

PW68H01023DL

HOSE

Tank - P/V T (RH)

1шт.

PF 3/8

1шт.

12

PW68H01023D5

HOSE,9.5mm ID x 2090mm L

Tank - P/V T (LH)

1шт.

13

ZC16X01800

CLIP

2шт.

14

ZC46X38014

CLIP

1шт.

15

ZC46X46014

CLIP

1шт.

16

ZM73C12020

BOLT,M12x20mm - Course Thread

Sems

2шт.

17

PY01P01043D8

CABLE TIE,102mm L

5шт.

18

PY01P01043D6

CABLE TIE,4.80mm W x 383mm L

3шт.

Выбрано товаров: 20