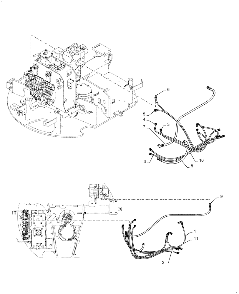
Запчасти Case CX36B (01-058[01]) - CONTROL LINES, VALVE (35) - HYDRAULIC SYSTEMS

Схема запчастей Case CX36B - (01-058[01]) - CONTROL LINES, VALVE (35) - HYDRAULIC SYSTEMS
9
4
8
3
2
6
3
11
1
7
10
5
FIT
1:1
100%

Артикул

Название

Примечание

Количество

.

Control Lines Valve, PW64H00096F1

1шт.

1

HX23L03145DX

HOSE,4.8mm ID x 1450mm L

1шт.

S/J P-S/V B

1шт.

2

HX33L03040DX

HOSE,4.8mm ID x 400mm L

1шт.

3

HX33L03110DX

HOSE,4.8mm ID x 1100mm L

2шт.

C/V Pa3-SHUT/V C

1шт.

4

HX33L03120DX

HOSE,4.8mm ID x 1200mm L

1шт.

C/V Pa2-SHUT/V A

1шт.

5

HX33L03135DX

HOSE,4.8mm ID x 1350mm L

1шт.

S/M PG-C/V Pp1

1шт.

6

HX33L03150DX

HOSE

1шт.

C/V Pb2-SHUT/V B

1шт.

7

HX25L06135DY

HOSE,9.5mm ID x 1350mm L

1шт.

PUMP A4-S/V P

1шт.

8

PW68H01023D9

HOSE,9.5mm ID x 620mm L

1шт.

S/V T-TANK

1шт.

9

HH25S06006G1

HYD CONNECTOR

2шт.

10

ZC16X01800

CLIP

1шт.

11

PY01P01043D3

CABLE TIE,188mm L

Clip

1шт.

Выбрано товаров: 19