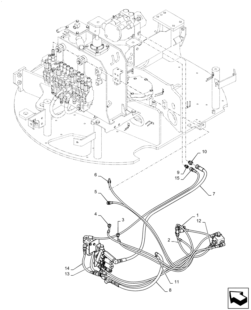
Запчасти Case CX36B (01-061[01]) - CONTROL LINES, VALVE (COOLER) (35) - HYDRAULIC SYSTEMS

Схема запчастей Case CX36B - (01-061[01]) - CONTROL LINES, VALVE (COOLER) (35) - HYDRAULIC SYSTEMS
9
10
11
13
2
7
4
14
15
12
6
8
3
5
1
FIT
1:1
100%

Артикул

Название

Примечание

Количество

.

Control Lines Valve, Cooler, PW64H00098F1

1шт.

1

HX23L03145DX

HOSE,4.8mm ID x 1450mm L

1шт.

S/J P - S/V B

1шт.

2

HX33L03040DX

HOSE,4.8mm ID x 400mm L

1шт.

SHUT/V D - S/M SH

1шт.

3

HX33L03110DX

HOSE,4.8mm ID x 1100mm L

2шт.

C/V Pa3 - SHUT /V C

1шт.

4

HX33L03120DX

HOSE,4.8mm ID x 1200mm L

1шт.

C/V Pa 2 - SHUT/V A

1шт.

5

HX33L03135DX

HOSE,4.8mm ID x 1350mm L

1шт.

S/M PG - C/V Pp1

1шт.

6

HX33L03150DX

HOSE

1шт.

C/V Pb2 - SHUT/V B

1шт.

7

HX25L06135DY

HOSE,9.5mm ID x 1350mm L

1шт.

PUMP A4 - S/V P

1шт.

8

PW68H01023D9

HOSE,9.5mm ID x 620mm L

1шт.

S/V T - TANK

1шт.

9

HH25S04004G1

HYD CONNECTOR

2шт.

10

HH25S06006G1

HYD CONNECTOR

2шт.

11

ZC16X01800

CLIP

1шт.

12

PY01P01043D3

CABLE TIE,188mm L

1шт.

13

HX22L04028DX

HOSE,6.3mm ID x 280mm L

1шт.

S/V ITEM 1 T - S/V ITEM 35 T

1шт.

14

HX24L04028DX

HOSE

1шт.

S/V ITEM 1 G - S/V ITEM 35 P

1шт.

15

HX34L04130DX

HOSE,6.3mm ID x 1300mm L

1шт.

S/V ITEM 35 A - PUMP

1шт.

Выбрано товаров: 27