Запчасти Case CX36B (01-064[03]) - CONTROL LINES, PROPEL [NIBBLER AND BREAKER, TRAVEL ALARM] - SN PX15-22269 (35) - HYDRAULIC SYSTEMS

Схема запчастей Case CX36B - (01-064[03]) - CONTROL LINES, PROPEL [NIBBLER AND BREAKER, TRAVEL ALARM] - SN PX15-22269 (35) - HYDRAULIC SYSTEMS
19
21
7
15
10
17
2
19
7
1
16
5
18
19
14
8
1
4
11
17
2
20
13
17
19
2
6
9
1
12
2
20
3
FIT
1:1
100%

Артикул

Название

Примечание

Количество

.

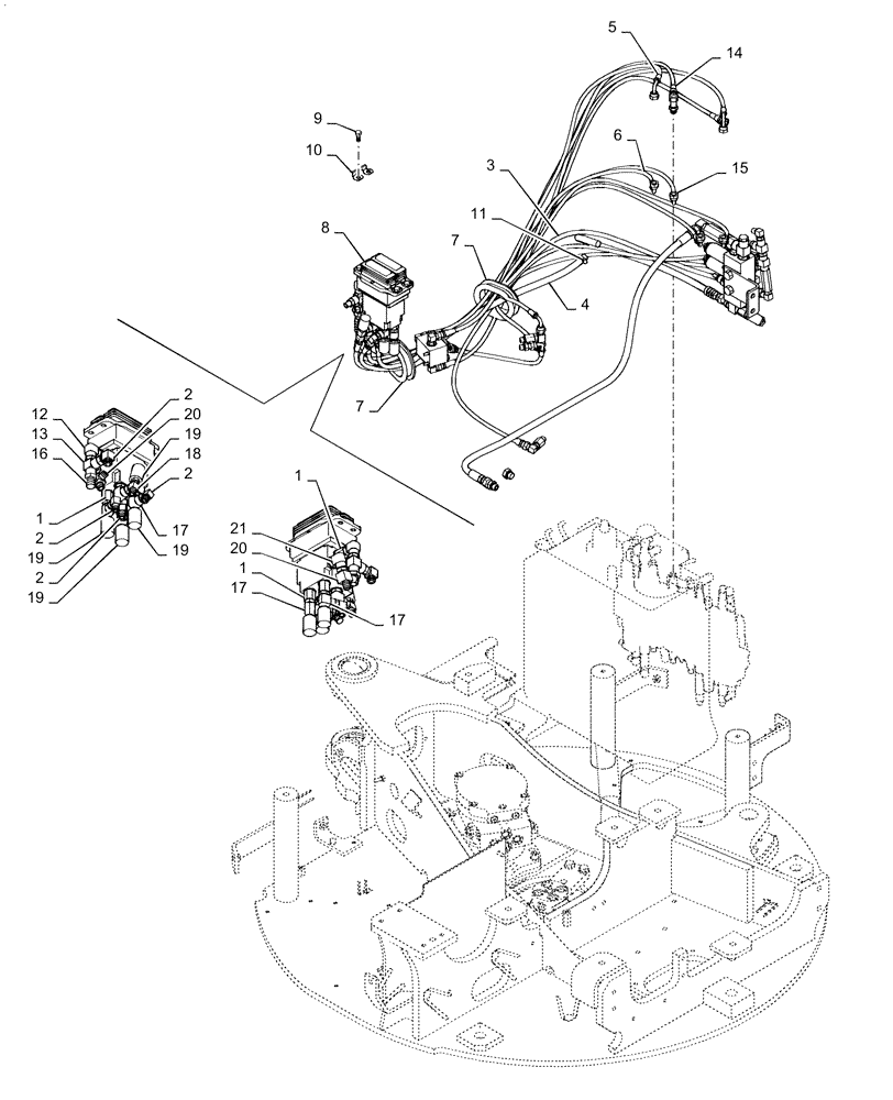
Control Lines, Propel - Nibbler and Breaker, Travel Alarm, PW62H00026F1

1шт.

1

2444Z2525

HYD CONNECTOR

3шт.

2

HH35S04004G1

90 ELBOW

4шт.

3

HX24L04145DX

HOSE,6.3mm ID x 1450mm L

1шт.

S/V A2-P/V P

1шт.

4

PW68H01023DA

HOSE,9.5mm ID x 800mm L

1шт.

P/V T-TANK

1шт.

5

HX33L03150DX

HOSE

1шт.

P/V 3-C/V Pb7

1шт.

6

HX33L03125DX

HOSE,4.8mm ID x 1250mm L

1шт.

P/V 4-C/V Pa7

1шт.

7

PW62H01001P1

GROMMET

2шт.

8

PM30V00019F6

PILOT VALVE

1шт.

9

ZM73C08025

BOLT,M8x25mm - Course Thread

Sems

4шт.

10

PW62H01003P1

PLATE

2шт.

11

ZC16X01800

CLIP

1шт.

12

2444Z2894

90 ELBOW

Elbow

2шт.

13

HH55Q04004G1

TEE,1/4" ORB x 1/4" JIC x 1/4" JIC

1шт.

14

HX23L03160DX

HOSE

1шт.

P/V 1-C/V Pb6, P F 1/4 L = 1600

1шт.

15

HX33L03135DX

HOSE,4.8mm ID x 1350mm L

1шт.

P/V 2-C/V Pa6

1шт.

16

HH25S06004G3

HYD CONNECTOR

1шт.

17

2444Z4231

ELBOW

3шт.

18

PV62H01001P1

ELBOW

1шт.

19

GB50S00049F2

SWITCH

Pressure

4шт.

20

HH55L04004G1

TEE

1шт.

21

PH62H01003P1

ELBOW

1шт.

Выбрано товаров: 28