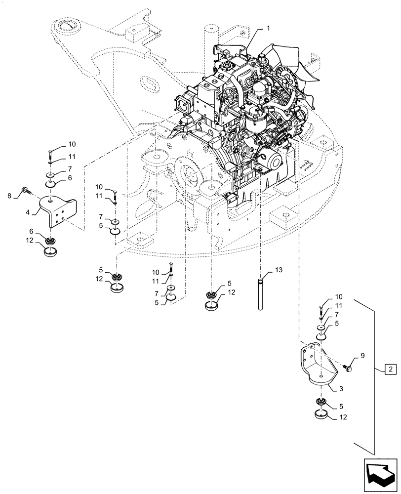
Запчасти Case CX36B (01-011[01]) - ENGINE INSTALL - SN PX15-21105 - 22566 (10) - ENGINE

Схема запчастей Case CX36B - (01-011[01]) - ENGINE INSTALL - SN PX15-21105 - 22566 (10) - ENGINE
10
5
12
11
4
8
7
11
7
13
7
1
3
5
5
5
7
6
5
9
11
10
10
5
10
11
12
2
6
12
12
FIT
1:1
100%

Артикул

Название

Примечание

Количество

.

Engine Install, PW02P00025F1

1шт.

1

PW02P00018F2

ENGINE

Assy

1шт.

2

PW02P00026F1

Incl 3 - 13

1шт.

3

PW02P01055P1

BRACKET

1шт.

4

PW02P01056P1

BRACKET

1шт.

5

PW02P01054D1

RUBBER MOUNTING

6шт.

6

PW02P01054D2

RUBBER MOUNTING

2шт.

7

PW01P01022P1

WASHER

4шт.

8

ZM73C10025

BOLT,M10x25mm - Course Thread

Sems

4шт.

9

ZM73C10030

BOLT,M10x30mm - Course Thread

Sems

4шт.

10

ZS18C12120

SCREW,Hex, M12 x 120mm

Cap

4шт.

11

ZW16H12000

WASHER

4шт.

12

PW02P01041P1

COVER

4шт.

13

PW02P01047D1

HOSE,12mm ID x 250mm L

1шт.

Выбрано товаров: 14