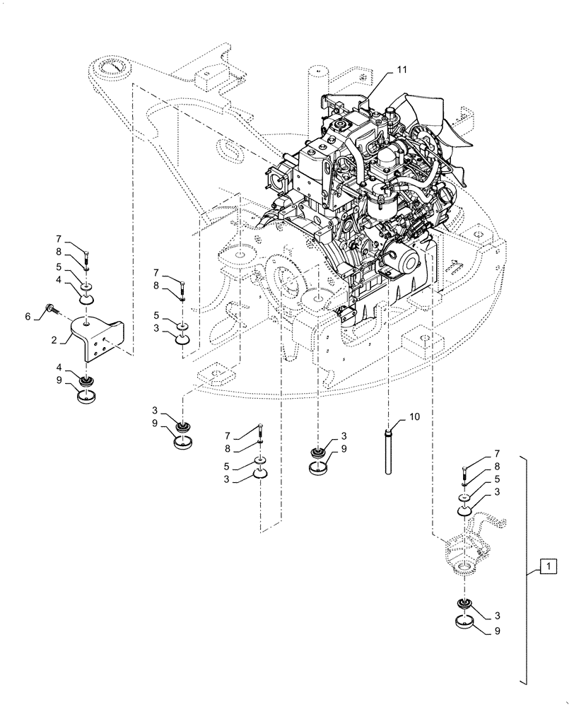
Запчасти Case CX36B (01-012[02]) - ENGINE INSTALL (COOLER) - SN PX15-22567 (10) - ENGINE

Схема запчастей Case CX36B - (01-012[02]) - ENGINE INSTALL (COOLER) - SN PX15-22567 (10) - ENGINE
9
7
7
8
3
9
3
5
9
9
5
5
1
3
7
4
11
8
6
8
3
3
7
10
2
3
8
5
4
FIT
1:1
100%

Артикул

Название

Примечание

Количество

.

PW02P00027F2 Engine Install

1шт.

1

PW02P00028F1

Incl 2 - 10

1шт.

2

PW02P01056P1

BRACKET

1шт.

3

PW02P01054D1

RUBBER MOUNTING

6шт.

4

PW02P01054D2

RUBBER MOUNTING

2шт.

5

PW01P01022P1

WASHER

4шт.

6

ZM73C10025

BOLT,M10x25mm - Course Thread

Sems

4шт.

7

ZS18C12120

SCREW,Hex, M12 x 120mm

Cap

4шт.

8

ZW16H12000

WASHER

4шт.

9

PW02P01041P1

COVER

4шт.

10

PW02P01047D1

HOSE,12mm ID x 250mm L

1шт.

11

PW02P00018F3

ENGINE

1шт.

Выбрано товаров: 12