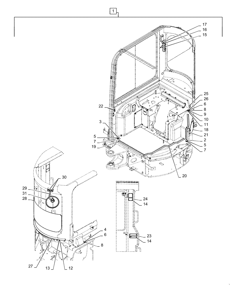
Запчасти Case CX36B (01-069[09]) - CAB INSTALL (COOLER) (90) - PLATFORM, CAB, BODYWORK AND DECALS

Схема запчастей Case CX36B - (01-069[09]) - CAB INSTALL (COOLER) (90) - PLATFORM, CAB, BODYWORK AND DECALS
25
3
31
15
24
9
30
5
26
8
27
14
7
16
7
19
18
1
23
20
17
13
12
10
2
8
14
11
5
6
4
29
21
28
6
22
FIT
1:1
100%

Артикул

Название

Примечание

Количество

.

Cab Install, Cooler, PW02C00081F1

1шт.

1

PW02C00092F1

Incl 2 - 31

1шт.

2

ZS18C16100

SCREW,Hex, M16 x 100mm

Cap

2шт.

3

ZS18C16050

SCREW,Hex, M16 x 50mm

Cap

1шт.

4

ZS18C12050

SCREW,Hex, M12 x 50mm

Cap

2шт.

5

ZW26X16000

LOCK WASHER

3шт.

6

ZW26X12000

LOCK WASHER

3шт.

7

ZW16H16000

WASHER

3шт.

8

ZW16H12000

WASHER

3шт.

9

YN21C01757D1

SHIM,1.2mm Thk

1.2

1шт.

10

YN21C01757D2

SHIM,2mm Thk

2.0

1шт.

11

YN21C01757D3

SHIM,3.2mm Thk

3.2

1шт.

12

2420T4505

WASHER,7mm ID x 16mm OD x 1mm Thk

3шт.

13

ZM46C06025

BOLT

Sems

3шт.

14

PB06C01093D1

RIVET

8шт.

15

YN01T01012F1

HAMMER

1шт.

16

ZS32T40020

SCREW

Cross Tapping, Serial Range: PX15-21105-PX15-22481

3шт.

17

ZS31C04016

SCREW,Phillips Drive, Pan HD, M4 x 16mm

Machine, Start Serial: PX15-22482

3шт.

18

PW02C01186P1

COVER

1шт.

19

YR52F01080D4

RUBBER

1шт.

20

YR52F01080DD

RUBBER

1шт.

21

YR52F01080D1

RUBBER

1шт.

22

PA03M01093D1

BOLT

Sems

2шт.

23

PV20T01080P1

PLATE

Number

1шт.

t0.8

1шт.

24

PV20T01084P1

PLATE

Number

1шт.

t0.8

1шт.

25

PF21C01175D3

RUBBER

1шт.

26

ZS18C12040

SCREW,Hex, M12 x 40mm

Cap

1шт.

27

PM21C01152D6

WEATHERSTRIP

Weather

1шт.

28

PW02C01336P2

LABEL

1шт.

29

PW52C01012P1

STAY

1шт.

30

ZM73C10020

BOLT,M10x20mm - Course Thread

Sems

2шт.

31

YT52C00006P1

MIRROR,210mm x 210mm

1шт.

Выбрано товаров: 34