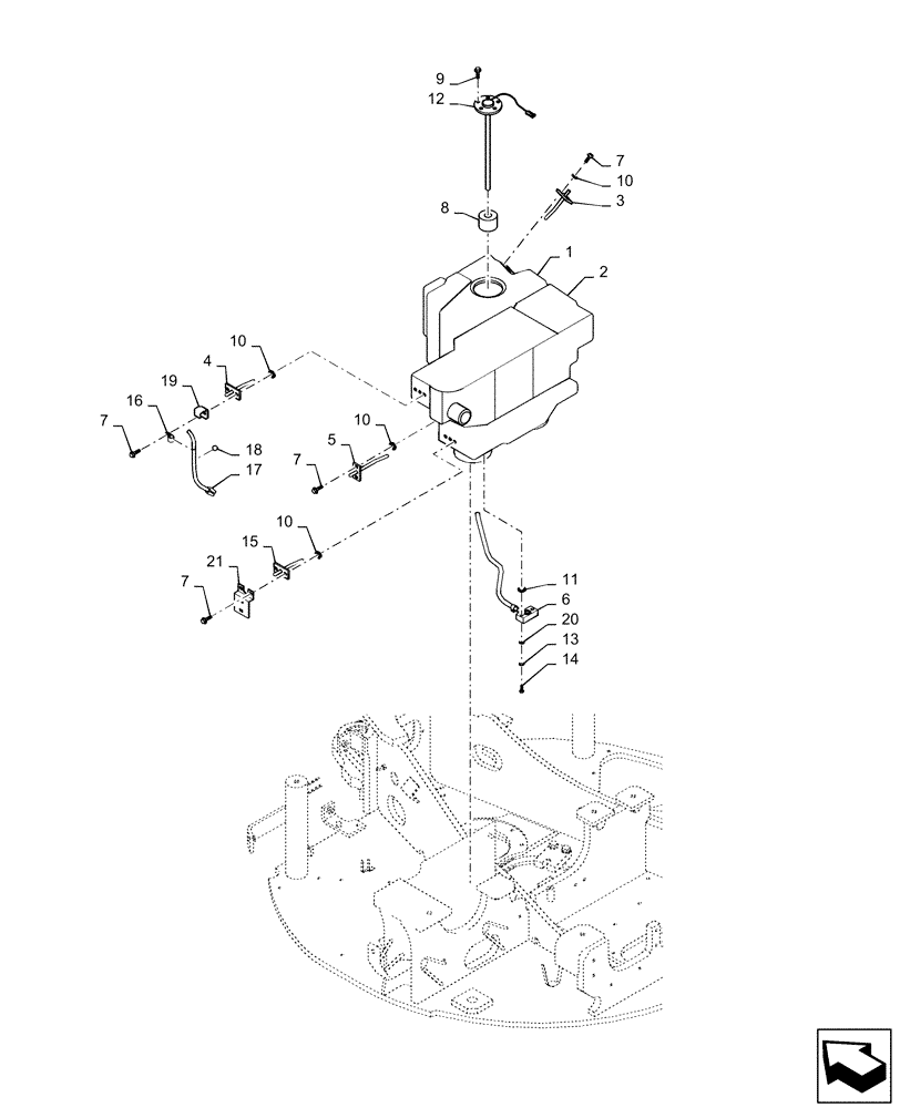
Запчасти Case CX36B (01-021[01]) - TANK, FUEL (10) - ENGINE

Схема запчастей Case CX36B - (01-021[01]) - TANK, FUEL (10) - ENGINE
4
10
6
10
7
17
11
7
21
10
9
8
13
10
1
12
7
18
5
7
16
19
2
14
20
15
3
FIT
1:1
100%

Артикул

Название

Примечание

Количество

.

Tank Fuel, PW20P00022F1

1шт.

1

PW20P00030P2

TANK

Fuel, Serial Range: PX15-21105-PX15-21246

1шт.

2

PW20P00030P3

TANK

Fuel, Start Serial: PX15-21247

1шт.

3

PW20P01325P1

FLANGE

1шт.

4

PW20P01288P1

FLANGE

1шт.

5

PW20P01272P1

FLANGE

1шт.

6

PW20P01302P1

FLANGE

1шт.

7

ZM61C06016

BOLT

Sems

8шт.

8

PW20P01208P1

PACKING

1шт.

9

ZM61C05012

BOLT

Sems

5шт.

10

2445Z1453D2

O-RING

4шт.

11

2445Z1453D9

O-RING

1шт.

12

PX52S00006F1

SENSOR

Level

1шт.

13

ZW26X06000

LOCK WASHER

2шт.

14

ZS18C06030

SCREW,Hex, M6 x 30mm

Cap

2шт.

15

PW20P01364P1

FLANGE

1шт.

16

LE20P01012P1

CLAMP

2шт.

17

PW20P01366P1

HOSE

1шт.

18

LE20P01014P1

BALL

1шт.

19

PW20P01359P1

BRACKET

1шт.

20

ZW16H06000

WASHER

2шт.

21

PW20P01355P2

PLATE

1шт.

Выбрано товаров: 22