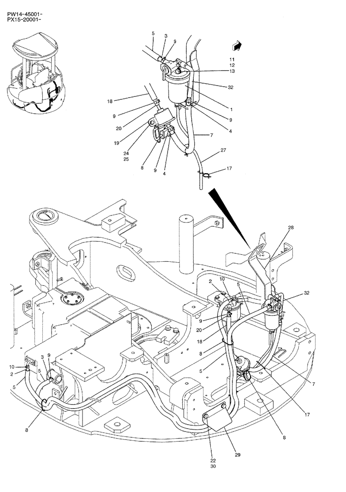
Запчасти Case CX36B (05-005) - FUEL LINES (COOLER) OPTIONAL PARTS

Схема запчастей Case CX36B - (05-005) - FUEL LINES (COOLER) OPTIONAL PARTS
2
20
10
9
10
17
8
8
9
8
8
4
13
9
12
2
7
5
9
5
25
24
17
28
30
20
9
18
32
32
22
5
1
8
4
18
27
5
3
9
19
29
11
5
3
FIT
1:1
100%

Артикул

Название

Примечание

Количество

PW21P00011F1

FUEL

1шт.

1

PW02P01046P1

SEPARATOR

ASSY, WATER

1шт.

2

PH21P01008D2

HOSE

1шт.

3

PH21P01003DL

HOSE

1шт.

4

PA21P01004DJ

HOSE ASSY.

1шт.

5

PW21P01003DS

TUBE

2шт.

7

PU13E01002D5

TUBE

1шт.

8

PY01P01043D3

CABLE TIE,188mm L

3шт.

9

PH05P01088D5

CLIP

6шт.

10

PH05P01088D6

CLIP

2шт.

11

ZS18C08075

SCREW,Hex, M8 x 75mm

CAP

1шт.

12

ZW16P08000

WASHER

ID 08 x OD 17 x Th 1.6mm

1шт.

13

ZW26X08000

LOCK WASHER

Lock

1шт.

17

PA21P01003D2

CLIP

2шт.

18

PU13E01002DK

TUBE

1шт.

19

PW22P00001P1

FUEL PUMP

1шт.

20

PA21P01004DS

HOSE

1шт.

22

ZW16P10000

WASHER

2шт.

24

ZS18C06016

SCREW,Hex, M6 x 16mm

CAP

2шт.

25

ZW16P06000

WASHER

2шт.

27

HX11Y04050DX

HOSE,6mm ID x 500mm L

1шт.

28

PW21P01016P1

BRACKET

1шт.

29

PW21P01018P1

COVER

1шт.

30

ZS18C10020

SCREW,Hex, M10 x 20mm

Cap

2шт.

32

PM21P01010P1

HOSE ASSY.

1шт.

Выбрано товаров: 25