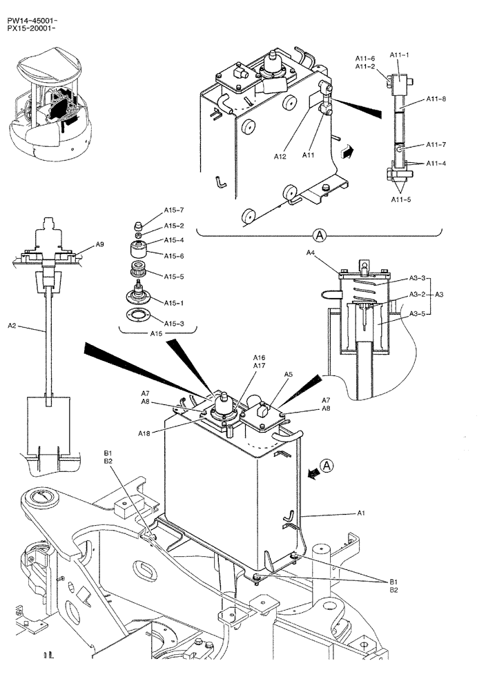
Запчасти Case CX36B (01-014) - TANK ASSY, HYD (NIBBLER & BREAKER) (05) - SUPERSTRUCTURE

Схема запчастей Case CX36B - (01-014) - TANK ASSY, HYD (NIBBLER & BREAKER) (05) - SUPERSTRUCTURE
a18
b2
a2
a15-5
b2
a15-6
b1
a7
a3-5
a11-2
a3-3
a3
a12
a15
a15-1
a4
a11-5
a15-2
a11-1
a11
a11-8
a11-7
a5
a9
a3-2
b1
a16
a8
a15-7
a7
a15-4
a11-6
a15-3
a8
a1
a11-4
a17
FIT
1:1
100%

Артикул

Название

Примечание

Количество

PW33H00050F1

ASSY, HYD

1шт.

a1

PW33H00043P2

TANK

1шт.

a2

PW50V00015F1

STRAINER ASSY.

ASSY, SUCTION

1шт.

a3

PW52V01001F2

HYDRAULIC OIL FILTER

FILTER ASSY, RETURN

1шт.

a3-2

PW21V00004P1

VALVE

CHECK

1шт.

a3-3

YR52V01001S004

SPRING

1шт.

a3-5

YR52V01003P1

FILTER

Return

1шт.

a4

ZD11G11000

O-RING,109.40mm ID x 115.60mm OD x 3.10mm

1шт.

a5

PM33H01083P2

COVER

1шт.

a7

ZW26X08000

LOCK WASHER

Lock

8шт.

a8

ZS18C08016

SCREW,Hex, M8 x 16mm

CAP

8шт.

a9

ZD11G11500

O-RING,114.40mm ID x 120.60mm OD x 3.10mm

1шт.

a11

YN58S00009F3

GAUGE ASSY.

LEVEL

1шт.

a11-1

NSS

NOT SOLD SEPARAT

BLOCK

2шт.

a11-2

NSS

NOT SOLD SEPARAT

CAPSCREW

2шт.

a11-4

NSS

NOT SOLD SEPARAT

O-RING

4шт.

a11-5

NSS

NOT SOLD SEPARAT

O-RING

4шт.

a11-6

NSS

NOT SOLD SEPARAT

WASHER

2шт.

a11-7

NSS

NOT SOLD SEPARAT

BALL

1шт.

a11-8

NSS

NOT SOLD SEPARAT

GAUGE

1шт.

a12

YF33H01020P1

LABEL

1шт.

a15

YN57V00002F4

BREATHER ASSY.

1шт.

a15-1

2446U260S1

BODY

ASSY

1шт.

a15-2

2446U260S5

NUT

1шт.

a15-3

2446U260S8

PACKING

1шт.

a15-4

YN57V00002S007

IDENTITY PLATE

CAUTION

1шт.

a15-5

YN57V00002S010

ELEMENT

1шт.

a15-6

YN57V00002S011

COVER

1шт.

a15-7

YN57V00002S012

CAP

1шт.

a16

ZS28C06016

SCREW,Hex Socket Head, M6 x 16mm

CAP

4шт.

a17

ZW26K06000

LOCK WASHER

4шт.

a18

PW33H01144P1

COVER

1шт.

k

PW50V00012R200

HYDRAULIC OIL FILTER

ELEMENT KIT CONSISTS OF ITEM (A3-5)(1), (A4)(1)

1шт.

PW33H00039F1

INSTAL, HYD

1шт.

b1

ZS18C12030

SCREW,Hex, M12 x 30mm

CAP

4шт.

b2

ZW16H12000

WASHER

4шт.

Выбрано товаров: 36