Качественные детали и логистика
Оригинальные и аналоговые запчасти с доставкой по России, Казахстану и Беларуси
©2022 PartSell ООО "Система" ИНН 2463123282 ОГРН 1212400004838
Центральный офис: г. Красноярск, Академика Киренского, д.87, пом.4
Телефон: 8 (800) 777-65-74 Email: zakaz@partsell.ru
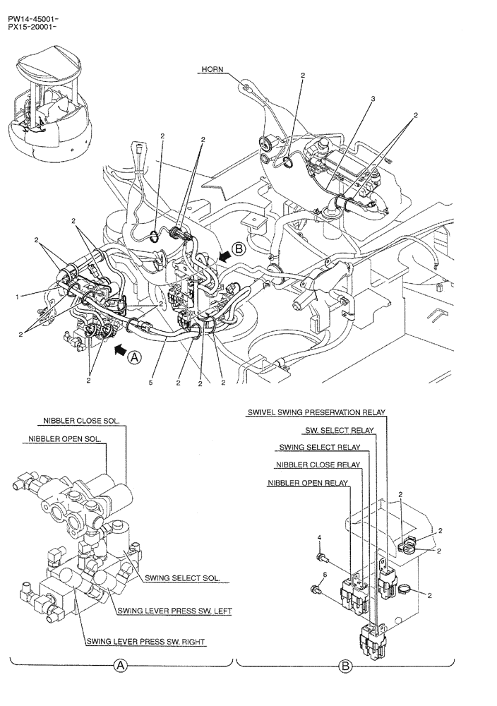
(01-080) - HARNESS ASSY
№
Артикул
Название
Примечание
Количество
PW11E00025F1
ASSY
1шт.
1
PW14E01037P1
HARNESS
2
PY01P01043D5
CABLE TIE,301mm L
24шт.
3
PH14E01013D1
4
ZM61C06016
BOLT
SEMS
5
PW14E01050P1
6
ZM61C06012
Выбрано товаров: 0