Качественные детали и логистика
Оригинальные и аналоговые запчасти с доставкой по России, Казахстану и Беларуси
©2022 PartSell ООО "Система" ИНН 2463123282 ОГРН 1212400004838
Центральный офис: г. Красноярск, Академика Киренского, д.87, пом.4
Телефон: 8 (800) 777-65-74 Email: zakaz@partsell.ru
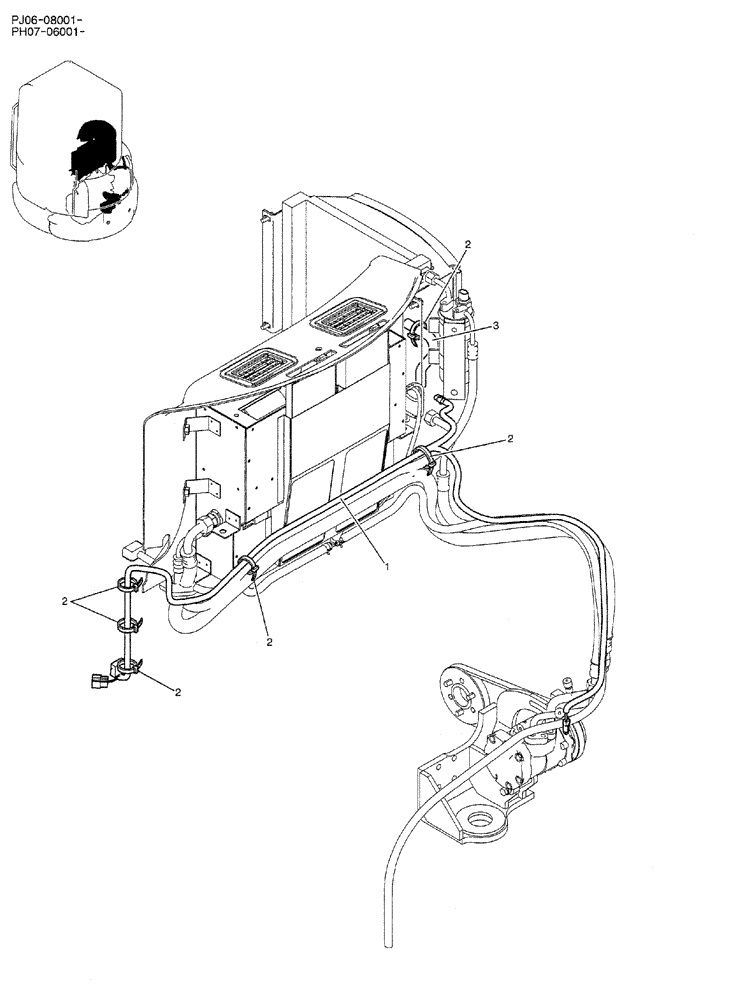
(05-024) - HARNESS ASSY (COOLER) (PH11E00012F1)
№
Артикул
Название
Примечание
Количество
HARNESS ASSY (COOLER) (PH11E00012F1)
1шт.
1
PH11E01031P2
HARNESS
2
PY01P01043D5
CABLE TIE,301mm L
6шт.
3
PW21P01003DV
PIPE
Выбрано товаров: 0