Запчасти Case CX50B (02-013) - HYD LINES, LOW (PY02H00013F1 & PH19H00007F1 & PH12H00005F1 & PH13H00002F1) (04) - UNDERCARRIAGE

Схема запчастей Case CX50B - (02-013) - HYD LINES, LOW (PY02H00013F1 & PH19H00007F1 & PH12H00005F1 & PH13H00002F1) (04) - UNDERCARRIAGE
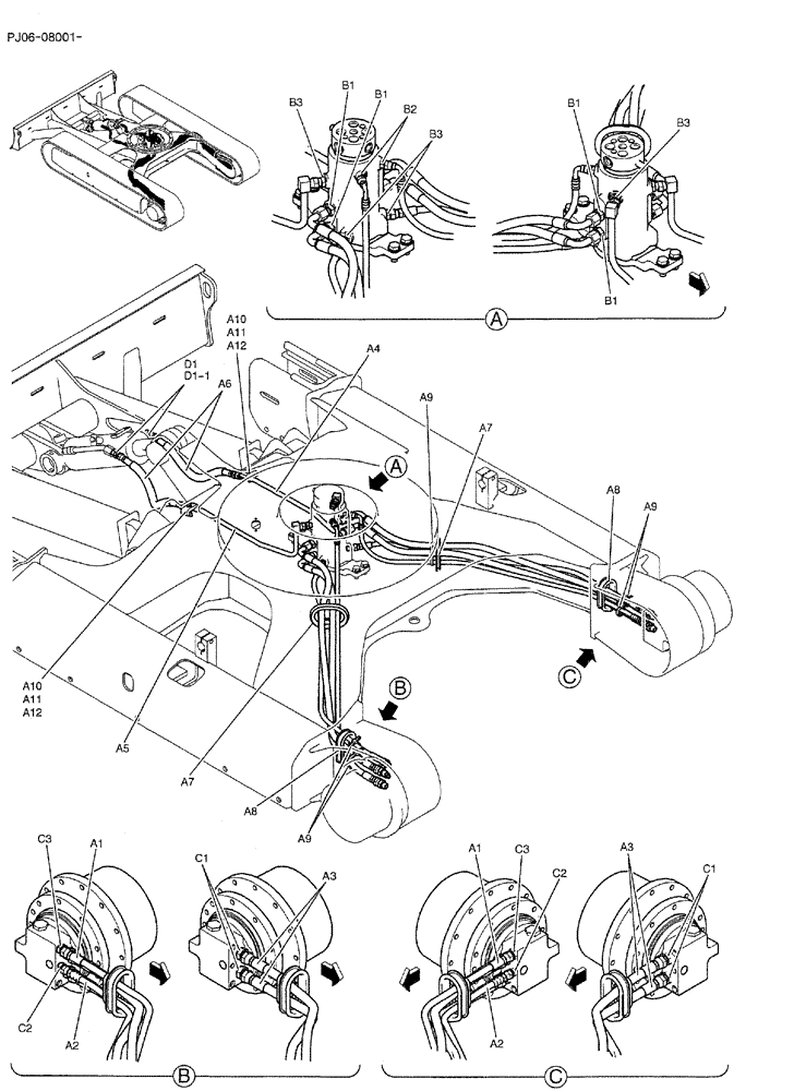
a10
a3
a5
c2
b2
a11
a7
a3
d1
a7
b1
a2
a9
a11
b3
b1
a4
a8
b1
a8
a12
a2
a1
c3
b3
c2
c3
c1
c1
a12
a10
b1
a1
b3
a6
a9
d1-1
a9
FIT
1:1
100%

Артикул

Название

Примечание

Количество

HYD LINES, LOW (PY02H00013F1), REPLACES PY02H00011F1

1шт.

a1

HX23L06110DY

HOSE,9.5mm ID x 1100mm L

2шт.

a2

HX33L04120DX

HOSE,6.3mm ID x 1200mm L

2шт.

a3

HX35L08115DX

HOSE,12.7mm ID x 1150mm L

4шт.

a4

PY02H01110P1

TUBE

1шт.

a5

PY02H01111P1

TUBE

1шт.

a6

PH02H01051D4

HOSE,9.5mm ID x 420mm L

2шт.

a7

PY02H01113P1

GROMMET

2шт.

a8

PH02H01136P1

GROMMET

GROMMET, REPLACES PH02H01109P1

2шт.

a9

PY01P01043D8

CABLE TIE,102mm L

6шт.

a10

ZC26X15009

CLAMP

2шт.

a11

ZS18C08040

SCREW,Hex, M8 x 40mm

CAP

2шт.

a12

ZW26X08000

LOCK WASHER

Lock

2шт.

HYD LINES, SWIVEL (PH19H00007F1)

1шт.

b1

HH25S08008G1

HYD CONNECTOR

4шт.

b2

HH25S04004G1

HYD CONNECTOR

2шт.

b3

HH25S06006G1

HYD CONNECTOR

4шт.

HYD LINES, PROPEL (PH12H00005F1)

1шт.

c1

HH25S08008G1

HYD CONNECTOR

4шт.

c2

HH25S04002G1

CONNECTION

2шт.

c3

HH25S06004G3

HYD CONNECTOR

REPLACES HH25S06004G1

2шт.

PH13H00002F1

LINE

HYD, CYLINDER

1шт.

d1

HH25S06006G1

HYD CONNECTOR

2шт.

d1-1

ZD12P01400

O-RING

1шт.

Выбрано товаров: 24