Запчасти Case CX50B (02-014) - DOZER ASSY (PY51B00052F1 & PY51B00055F1 & PH51B00003F1 & PY51B00045F1) (04) - UNDERCARRIAGE

Схема запчастей Case CX50B - (02-014) - DOZER ASSY (PY51B00052F1 & PY51B00055F1 & PH51B00003F1 & PY51B00045F1) (04) - UNDERCARRIAGE
c5
d5
c4
b7
c6
c2
b5
b5
c4
d1
b1
d1
a1
b4
c5
b6
b2
b6
d2
c1
b3
c3
a1-1
d4
a1-2
c7
b9
b3
b4
c1
c1
b2
b1
b8
d3
FIT
1:1
100%

Артикул

Название

Примечание

Количество

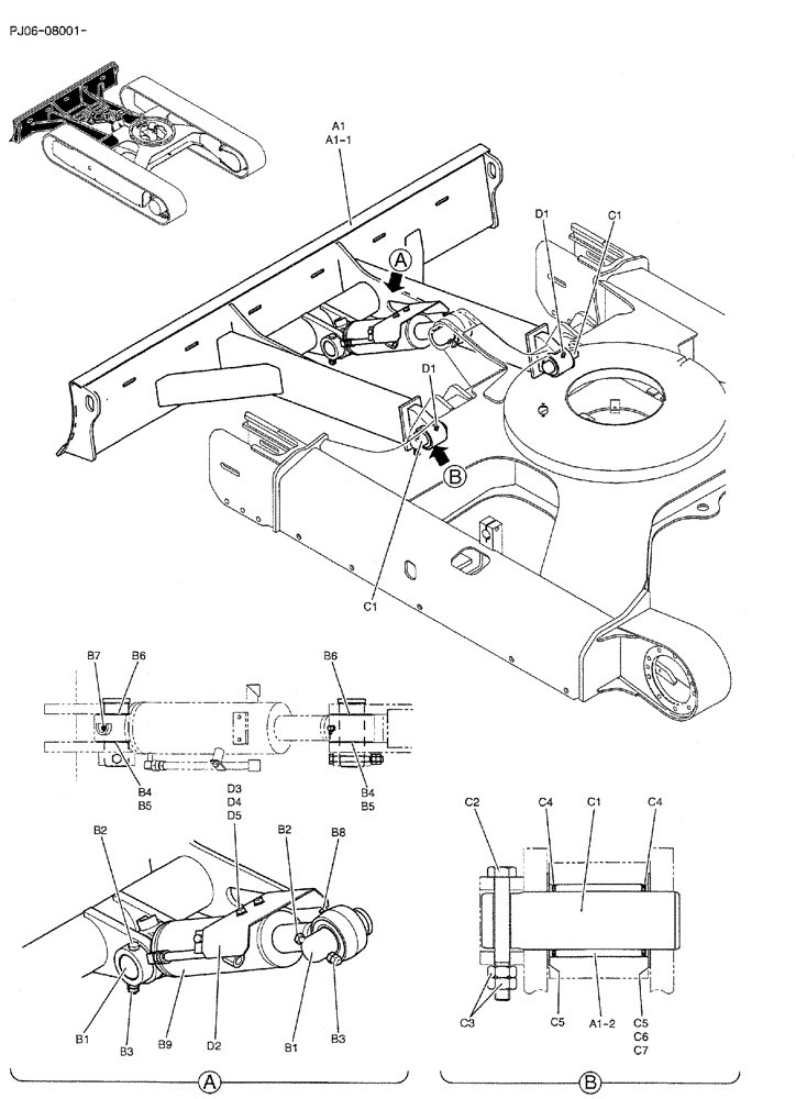
DOZER ASSY (PY51B00052F1)

1шт.

a1

PY51B00031F1

DOZER BLADE

ASSY

1шт.

a1-1

PY51B00054P1

DOZER BLADE

DOZER

1шт.

a1-2

2405T1689

BUSHING,40mm ID x 50mm OD x 60mm L

2шт.

CYLINDER INSTAL (PY51B00055F1), REPLACES PY51B00053F1

1шт.

b1

PY51B01107P1

PIN

PIN, REPLACES YJ51B01009P1

2шт.

b2

ZS18C12110

SCREW,Hex, M12 x 110mm

CAP

2шт.

b3

ZN18C12010

NUT

4шт.

b4

B16T0442D26

SHIM,90mm OD x 57mm ID x 1.2mm Thk

2шт.

b5

B16T0442D21

SHIM,57mm ID x 90mm OD x 1.6mm Thk

2шт.

b6

B16T0442D22

SHIM,90mm OD x 57mm ID x 2.3mm Thk

2шт.

b7

ZG91S02000

LUBE NIPPLE,1/8" NPT x 1/8" NPT

GREASE

1шт.

b8

ZG91U02000

LUBE NIPPLE

GREASE

1шт.

b9

PY01V00040F1

CYLINDER

ASSY, DOZER

1шт.

DOZER INSTAL (PH51B00003F1)

1шт.

c1

PH51B01001P1

PIN,40mm OD x 137mm L

2шт.

c2

ZS18C10085

SCREW,Hex, M10 x 85mm

CAP

2шт.

c3

ZN18C10008

NUT

4шт.

c4

2445R138D5

SEAL,40mm ID x 50mm OD x 4mm Thk

DUST

4шт.

c5

B16T0442D67

SHIM,65mm OD x 42mm ID x 1.2mm Thk

4шт.

c6

B16T0442D68

SHIM,65mm OD x 42mm ID x 1.6mm Thk

4шт.

c7

B16T0442D69

SHIM,65mm OD x 42mm ID x 2.3mm Thk

4шт.

DOZER GROUP (PY51B00045F1)

1шт.

d1

ZG91U02000

LUBE NIPPLE

2шт.

d2

PX51B01081P1

COVER

1шт.

d3

ZS18C10016

SCREW,Hex, M10 x 16mm

CAP

2шт.

d4

ZW16X10000

WASHER

2шт.

d5

ZW26X10000

LOCK WASHER

2шт.

Выбрано товаров: 28