Запчасти Case CX50B (01-031) - CONTROLS, OPERATORS (PW03M00092F1) (05) - SUPERSTRUCTURE

Схема запчастей Case CX50B - (01-031) - CONTROLS, OPERATORS (PW03M00092F1) (05) - SUPERSTRUCTURE
12
8
16
13
4
5
10
1
9
10
17
2
11
7
14
15
6
3
FIT
1:1
100%

Артикул

Название

Примечание

Количество

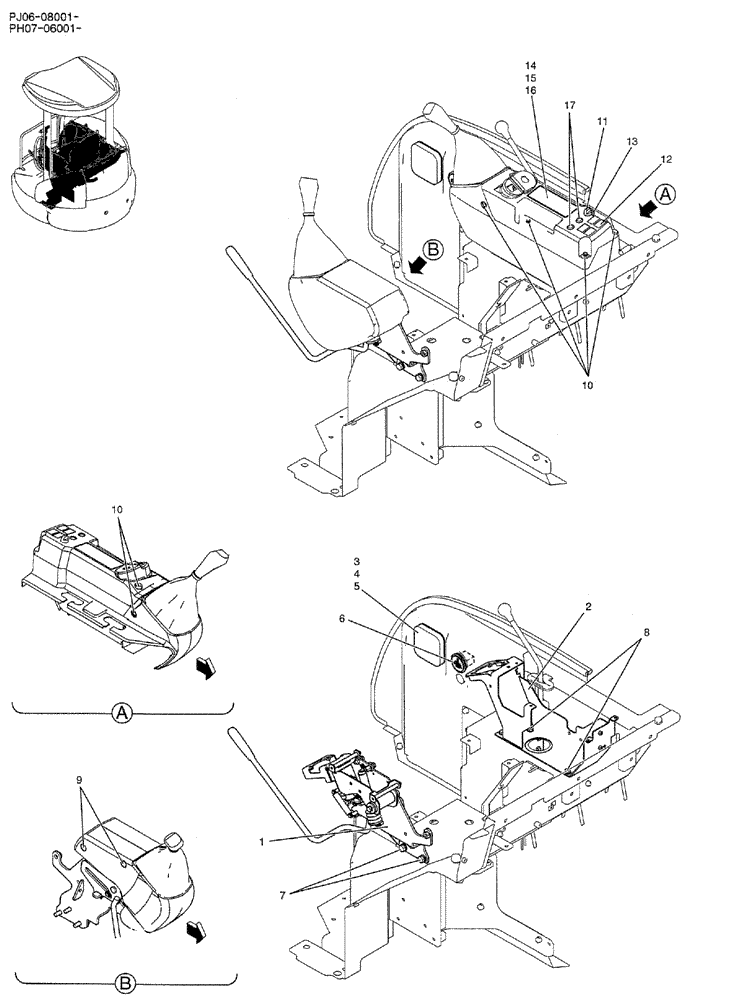
CONTROLS, OPERATORS (PW03M00092F1)

1шт.

1

PW03M00093F1

CONTROL BOX ASSY

1шт.

2

PW03M01448P3

BOX

CONTROL (SEE FIG. 01-034)

1шт.

3

YT17M01034P2

HOLDER

1шт.

4

YT02C01296P1

RIVET

2шт.

5

ZW16X06000

WASHER

2шт.

6

YT58S00006P1

HOURMETER

HOUR

1шт.

7

ZM22C10030

BOLT

SEMS

3шт.

8

ZM22C08020

BOLT

SEMS

4шт.

9

PW03M01319P1

BOLT

SEMS

2шт.

10

PW03M01717D1

BOLT,Torx, Truss HD, M5 x 0.8 x 16mm

SEMS

6шт.

11

PV24E01001P2

SWITCH

1шт.

12

2414T4530

CAP

4шт.

13

PW17M01020P1

LABEL

1шт.

14

PH59S00005F1

GAUGE ASSY.

CLUSTER (SEE FIG. 01-076)

1шт.

15

ZS32T40016

SCREW

CROSS TAPPING

4шт.

16

ZW16K04000

WASHER

4шт.

17

PW17M01021P1

CAP

2шт.

Выбрано товаров: 18