Запчасти Case CX50B (01-078) - HOSE ASSY, HEATER (WITH HEATER) (PH21M00011F1) (05) - SUPERSTRUCTURE

Схема запчастей Case CX50B - (01-078) - HOSE ASSY, HEATER (WITH HEATER) (PH21M00011F1) (05) - SUPERSTRUCTURE
12
15
18
3
15
20
25
5
20-1
5
9
10
26
21
28
15
15
7
21
24
1
15
15
13
5
20-2
8
15
27
22
17
2
9
15
6
23
11
15
15
FIT
1:1
100%

Артикул

Название

Примечание

Количество

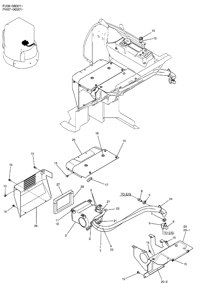
HOSE ASSY, HEATER (PH21M00011F1)

1шт.

1

R18T0026D3

HOSE ASSY.

1шт.

2

PM21M00005F1

HEATER ASSY.

Components are NSS, Includes Blower Motor

1шт.

3

PW03M01461P1

GROMMET

1шт.

5

ZC16X02000

CLIP

4шт.

6

R18T0026D55

HOSE,12mm ID x 1350mm L

1шт.

7

YN20M01046DV

PROTECTIVE SLEEVE,22.10mm ID x 27.00mm OD x 950.00mm

1шт.

8

2444Z1630

FITTING

CONNECTOR

2шт.

9

PM21M01018P1

ELBOW

2шт.

10

PY50S00003P2

SWITCH

1шт.

11

PV01P01007P1

WASHER

4шт.

12

ZM11C08016

BOLT

SEMS

4шт.

13

PW17M01019P1

LABEL

1шт.

15

PA03M01093D2

BOLT

SEMS

14шт.

17

PM22C01013DB

WEATHERSEAL STRIP

1шт.

18

2420R429D4

GROMMET

2шт.

20

PH21M01027F1

COVER ASSY

1шт.

20-1

PW10M01278P1

COVER

COVER

1шт.

20-2

PH21M01025P1

INSULATION

1шт.

21

YN03E01001D5

CLIP

2шт.

22

PW13E01068P1

HARNESS

1шт.

23

YN20M01046D3

PROTECTIVE SLEEVE,22.10mm ID x 27.00mm OD x 800.00mm

1шт.

24

PY01P01043D2

CABLE TIE,4.60mm W x 202mm L

1шт.

25

PW03M01853P1

COVER

COVER

1шт.

26

PW10M01273P1

COVER

COVER

1шт.

27

PW21M01026P1

RUBBER STRIP

RUBBER

1шт.

28

PW21M01027P1

RUBBER STRIP

RUBBER

1шт.

Выбрано товаров: 27