Запчасти Case CX50B (02-002) - LOW GROUP (PY01F00016F1, PY53D00003F1, YJ19H00002F1) (04) - UNDERCARRIAGE

Схема запчастей Case CX50B - (02-002) - LOW GROUP (PY01F00016F1, PY53D00003F1, YJ19H00002F1) (04) - UNDERCARRIAGE
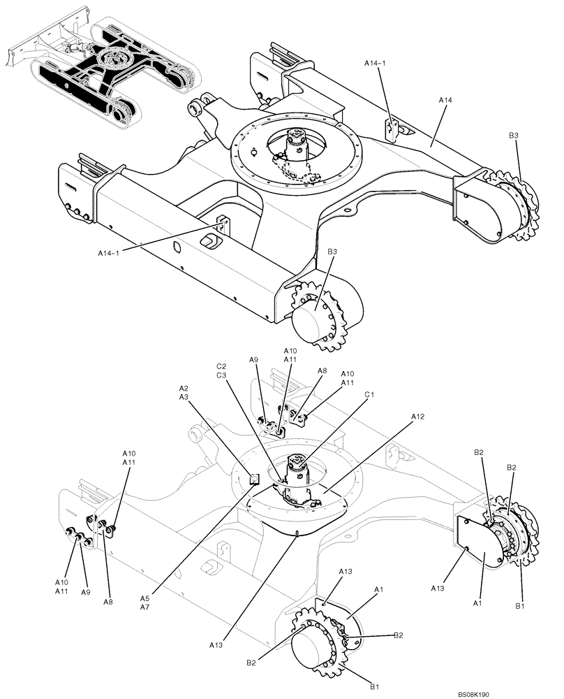
a13
a7
a10
c3
a5
a11
b1
a14
b2
b1
a8
a12
b3
a1
a3
a11
c2
a13
b2
a9
a10
a9
a8
a1
c1
a14-1
a14-1
a10
a2
a10
b2
a11
a11
a13
b3
b2
FIT
1:1
100%

Артикул

Название

Примечание

Количество

LOW GROUP (IRON), PY01F00016F1

1шт.

a1

PY01F01019P1

COVER

COVER

2шт.

a2

2422T556

PLATE

1шт.

a3

2418T12274

PACKING

1шт.

a5

ZS18C10014

SCREW,Hex, M10 x 14mm

CAP

2шт.

a7

ZW26X10000

LOCK WASHER

2шт.

a8

PY01F01008P1

PLATE

2шт.

a9

PY01F01001P1

PLATE

2шт.

a10

ZS18C16040

SCREW,Hex, M16 x 40mm

CAP

12шт.

a11

ZW16H16000

WASHER

12шт.

a12

PY01F01022P1

COVER

1шт.

a13

ZM73C10020

BOLT,M10x20mm - Course Thread

SEMS

10шт.

a14

PY02F00040P1

FRAME, LOW

1шт.

a14-1

PY07F01083P1

SUPPORT

2шт.

MOTOR INSTALLATION, PROPEL, PY53D00003F1

1шт.

b1

PY51D01002P1

SPROCKET

2шт.

b2

ZS18C14035

SCREW,Hex, M14 x 35mm

CAP

44шт.

b3

PH15V00012F1

HYDRAULIC MOTOR

ASSY, PROPEL, See Figure 07-019

2шт.

JOINT INSTALLATION, YJ19H00002F1

1шт.

c1

24100J12703F1

HYDRAULIC SWIVEL

JOINT ASSY, See Figure 07-051

1шт.

c2

ZS18C14035

SCREW,Hex, M14 x 35mm

CAP

4шт.

c3

ZW16X14000

WASHER

4шт.

Выбрано товаров: 22