Качественные детали и логистика
Оригинальные и аналоговые запчасти с доставкой по России, Казахстану и Беларуси
©2022 PartSell ООО "Система" ИНН 2463123282 ОГРН 1212400004838
Центральный офис: г. Красноярск, Академика Киренского, д.87, пом.4
Телефон: 8 (800) 777-65-74 Email: zakaz@partsell.ru
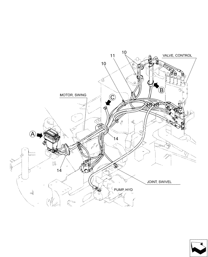
(01-053[01]) - CONTROL LINES, PROPEL, SWING
№
Артикул
Название
Примечание
Количество
10
PY01P01043D8
CABLE TIE,102mm L
3шт.
11
PY01P01043D6
CABLE TIE,4.80mm W x 383mm L
14
PH62H01001P1
GROMMET
2шт.
Выбрано товаров: 0