Запчасти Case CX50B (02-022[02]) - CYLINDER INSTAL, ANGLE DOZER (35) - HYDRAULIC SYSTEMS

Схема запчастей Case CX50B - (02-022[02]) - CYLINDER INSTAL, ANGLE DOZER (35) - HYDRAULIC SYSTEMS
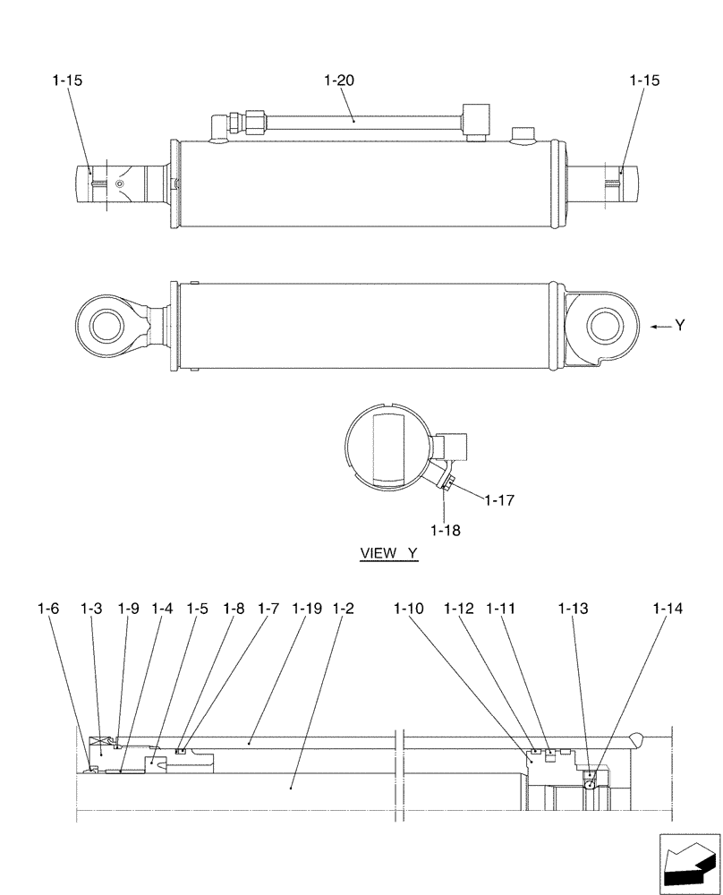
1-14
1-12
1-11
1-13
1-19
1-18
1-9
1-2
1-4
1-17
1-15
1-10
1-6
1-8
1-7
1-3
1-5
1-20
1-15
FIT
1:1
100%

Артикул

Название

Примечание

Количество

1-2

NSS

NOT SOLD SEPARAT

Rod, Piston

1шт.

1-3

PH01V00006S003

CYLINDER HEAD

1шт.

1-4

PW01V00010S004

BUSHING

1шт.

1-5

2438U635S3

RING

1шт.

1-6

PH01V00006S006

RING

1шт.

1-7

ZD12G08500

O-RING,84.40mm ID x 90.60mm OD x 3.10mm

1шт.

1-8

PH01V00006S008

BACK-UP RING

1шт.

1-9

ZD11G09000

O-RING,89.40mm ID x 95.60mm OD x 3.10mm

1шт.

1-10

2438U1116S16

JACK PISTON

1шт.

1-11

2438U715S24

RING

1шт.

1-12

2438U1116S18

RING

Slide

2шт.

1-13

2438U1057S16

SET SCREW

1шт.

1-14

2436U946S11

BALL

1шт.

1-15

PY01V00035S015

BUSHING

2шт.

1-17

ZS18C10016

SCREW,Hex, M10 x 16mm

Cap

1шт.

1-18

PR01V00002S024

WASHER

1шт.

1-19

NSS

NOT SOLD SEPARAT

Tube, Cylinder

1шт.

1-20

PY01V00035S020

TUBE

1шт.

PY01V00035R200

REPAIR KIT

Consists Of Ref: 1-2(1), 1-15(1)

1шт.

PH01V00006R100

REPAIR KIT

Consists Of Ref: 1-5(1), 1-6(1), 1-7(1), 1-8(1), 1-9(1), 1-11(1), 1-12(2)

1шт.

PY01V00035R400

REPAIR KIT

Consists Of Ref: 1-15 (1), 1-19(1)

1шт.

Выбрано товаров: 21