Качественные детали и логистика
Оригинальные и аналоговые запчасти с доставкой по России, Казахстану и Беларуси
©2022 PartSell ООО "Система" ИНН 2463123282 ОГРН 1212400004838
Центральный офис: г. Красноярск, Академика Киренского, д.87, пом.4
Телефон: 8 (800) 777-65-74 Email: zakaz@partsell.ru
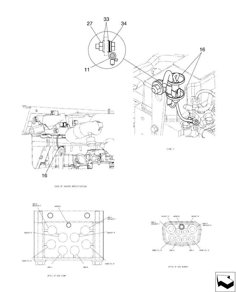
(01-077[04]) - ELEC ASSY, UPP
№
Артикул
Название
Примечание
Количество
11
EW02E01015D4
CLIP
2шт.
16
PY01P01043D5
CABLE TIE,301mm L
24шт.
27
ZN18C10008
NUT
4шт.
33
2418T12346
WASHER
34
ZM73C10030
BOLT,M10x30mm - Course Thread
Sems
1шт.
Выбрано товаров: 0