Запчасти Case CX50B (08-015) - STARTING MOTOR (55) - ELECTRICAL SYSTEMS

Схема запчастей Case CX50B - (08-015) - STARTING MOTOR (55) - ELECTRICAL SYSTEMS
19
25
24
20
21
22
13
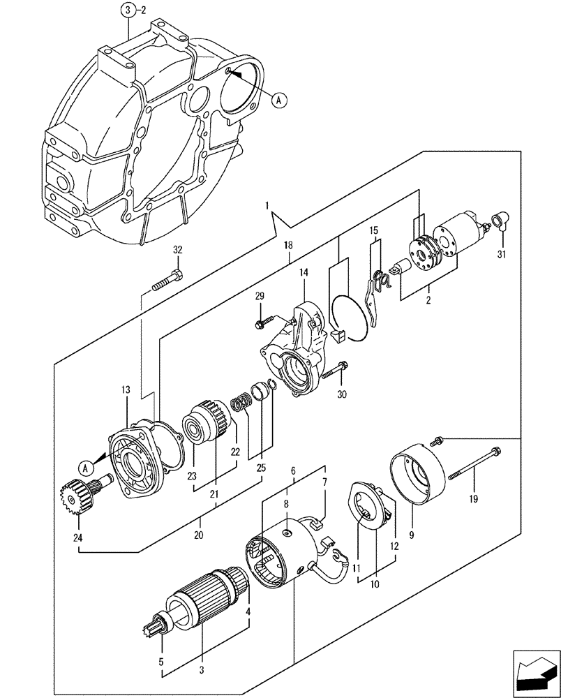
1
12
14
-2
9
2
29
6
10
7
23
4
8
15
5
18
3
32
31
30
11
FIT
1:1
100%

Артикул

Название

Примечание

Количество

1

VV12913677011

STARTER MOTOR

Includes Ref. 2, 3, 6, 9, 10, 13 - 20, & 29 - 31

1шт.

2

VV12913677310

SHAFT

Pinion

1шт.

3

VV12990077400

ARMATURE

Includes Ref. 4 & 5

1шт.

4

VVX2130350900

BALL BEARING

1шт.

5

VVX2114255110

BALL BEARING

1шт.

6

VV12990077440

COIL ASSY.

Field, Includes Ref. 7 & 8

1шт.

7

VV12990077450

COMMUTATOR BRUSH

(+)

2шт.

8

VV17100877450

SCREW

Pole Core Set

4шт.

9

VV12990077460

REAR COVER

1шт.

10

VV12990077480

HOLDER

Assy., Brash, Includes Ref. 11 & 12

1шт.

11

VV12990077450

COMMUTATOR BRUSH

(+)

2шт.

12

VV12940077490

SPRING

Brush

4шт.

13

VV17100877510

TRANSMISSION HOUSING

Assy., Gear

1шт.

14

VV12913677520

HOUSING

Center

1шт.

15

VV17100877540

LEVER

Set, Shift

1шт.

18

VV12940077571

COVER

Dust,(Non-Asb.)

1шт.

19

VV12990077640

BOLT

Throught

2шт.

20

VV17100877650

PINION

Includes Ref. 21, 24 & 25

1шт.

21

VVX2114555500

CLUTCH ASSEMBLY

Includes Ref. 22 & 23

1шт.

22

VVX2114955020

BALL BEARING

1шт.

23

VVX2240410100

BALL BEARING

1шт.

24

VV17100877660

SHAFT

Pinion

1шт.

25

VV17100877670

STOP

Pinion

1шт.

29

VV26106060322

BOLT,M6 x 32mm

M6 x 32 Plated

2шт.

30

VV26106060402

BOLT,M6 x 40mm

M6 x 40 Plated

3шт.

31

VV17100877750

PROTECTIVE COVER

M Terminal

1шт.

32

VV26116120252

BOLT

M12 x 25 Plated

2шт.

Выбрано товаров: 0