Качественные детали и логистика
Оригинальные и аналоговые запчасти с доставкой по России, Казахстану и Беларуси
©2022 PartSell ООО "Система" ИНН 2463123282 ОГРН 1212400004838
Центральный офис: г. Красноярск, Академика Киренского, д.87, пом.4
Телефон: 8 (800) 777-65-74 Email: zakaz@partsell.ru
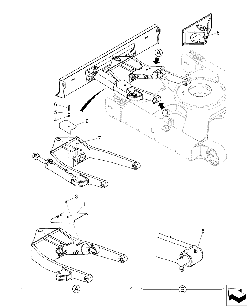
(02-019) - DOZER GROUP, ANGLE DOZER
№
Артикул
Название
Примечание
Количество
PY51B00056F1
(Angle Dozer)
1шт.
1
PH51B01020P1
COVER
2
PH51B01063P1
3
ZM73C10016
BOLT,M10x16mm - Course Thread
Sems
4шт.
4
ZW16H10000
WASHER
5
ZW26X10000
LOCK WASHER
6
ZS18C10075
SCREW,Hex, M10 x 75mm
Cap
7
ZG91S02000
LUBE NIPPLE,1/8" NPT x 1/8" NPT
8
ZG91V02000
LUBE NIPPLE,67 Degree x 1/8" PT
3шт.
Выбрано товаров: 0