Качественные детали и логистика
Оригинальные и аналоговые запчасти с доставкой по России, Казахстану и Беларуси
©2022 PartSell ООО "Система" ИНН 2463123282 ОГРН 1212400004838
Центральный офис: г. Красноярск, Академика Киренского, д.87, пом.4
Телефон: 8 (800) 777-65-74 Email: zakaz@partsell.ru
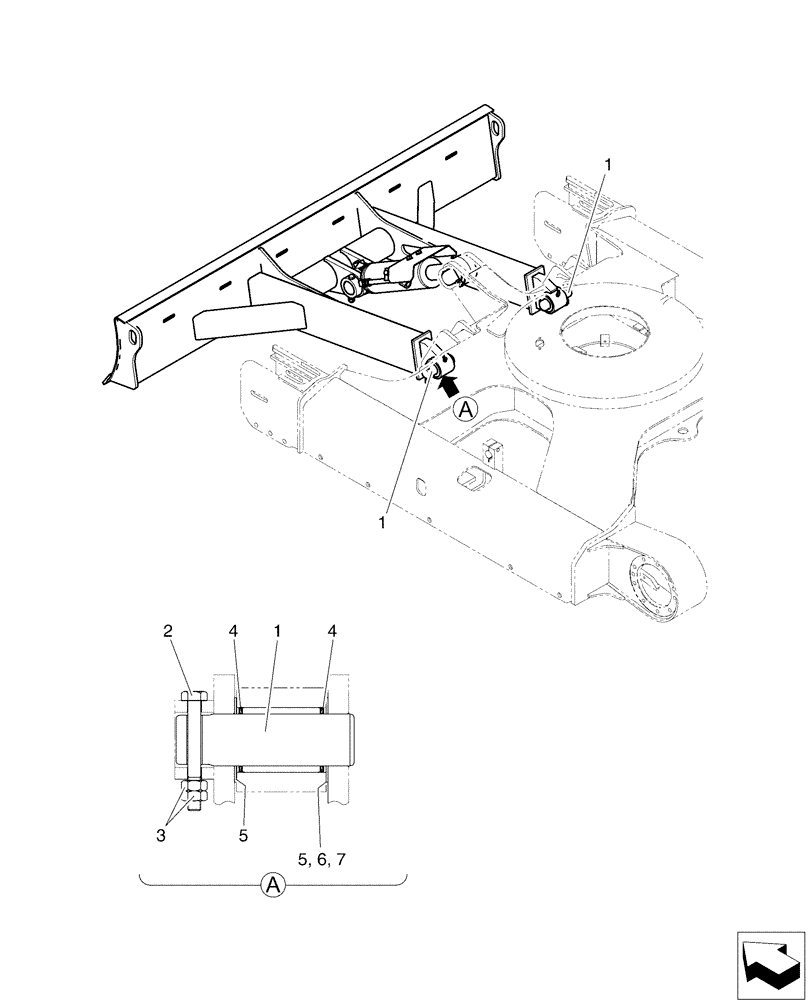
(02-020) - DOZER INSTAL
№
Артикул
Название
Примечание
Количество
PH51B00003F1
1шт.
1
PH51B01001P1
PIN,40mm OD x 137mm L
2шт.
2
ZS18C10085
SCREW,Hex, M10 x 85mm
Cap
3
ZN18C10008
NUT
4шт.
4
2445R138D5
SEAL,40mm ID x 50mm OD x 4mm Thk
Dust
5
B16T0442D67
SHIM,65mm OD x 42mm ID x 1.2mm Thk
6
B16T0442D68
SHIM,65mm OD x 42mm ID x 1.6mm Thk
7
B16T0442D69
SHIM,65mm OD x 42mm ID x 2.3mm Thk
Выбрано товаров: 0