Запчасти Case CX50B (01-021[02]) - POWER TAKE-OFF ASSY, COOLER (35) - HYDRAULIC SYSTEMS

Схема запчастей Case CX50B - (01-021[02]) - POWER TAKE-OFF ASSY, COOLER (35) - HYDRAULIC SYSTEMS
2-154
2-9
2-109
2-134
2-2
2-17
2-144
2-22
2-107
2-21
2-1
2-3
2-103
2-101
2-7
2-108
2-164
2-102
2-4
2-6
2-104
FIT
1:1
100%

Артикул

Название

Примечание

Количество

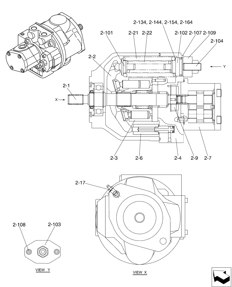
2-1

YJ10V01001F1

SHAFT ASSY.

1шт.

2-2

PY10V01002F1

BLOCK ASSY.

1шт.

2-3

PY10V01005F1

ROTOR ASSY.

Piston

1шт.

2-4

YJ10V01002F1

COVER ASSY

1шт.

2-6

PH10V01010F1

PISTON ASSY

1шт.

2-7

PH10V00011F1

PUMP

Gear

1шт.

2-9

PX10V00015F1

PUMP

Hyd

1шт.

2-17

PY10V00007S017

BREATHER

1шт.

2-21

PY10V01004S006

SPRING

1шт.

2-22

PH10V01003S005

SPRING

1шт.

2-101

PY10V01004S001

SPRING SEAT

1шт.

2-102

PH10V01003S002

SPRING SEAT

1шт.

2-103

PY10V01004S003

COVER

1шт.

2-104

PY10V01004S004

ADJUSTMENT SCREW

1шт.

2-107

ZD11P03400

O-RING

1шт.

2-108

ZS23C08030

SCREW,Hex Socket Head, M8 x 30mm

Cap

2шт.

2-109

PY10V01004S009

NUT

1шт.

2-134

PM10V01005S054

SHIM,0.3mm Thk

2шт.

2-144

PH10V00013S144

SHIM,0.5mm Thk

(0.5)

2шт.

2-154

PW10V00001S048

SHIM,1.0mm Thk

2шт.

2-164

PW10V00001S049

SHIM,2.0mm Thk

2шт.

Выбрано товаров: 21