Запчасти Case CX50B (01-021[03]) - POWER TAKE-OFF ASSY, COOLER (35) - HYDRAULIC SYSTEMS

Схема запчастей Case CX50B - (01-021[03]) - POWER TAKE-OFF ASSY, COOLER (35) - HYDRAULIC SYSTEMS
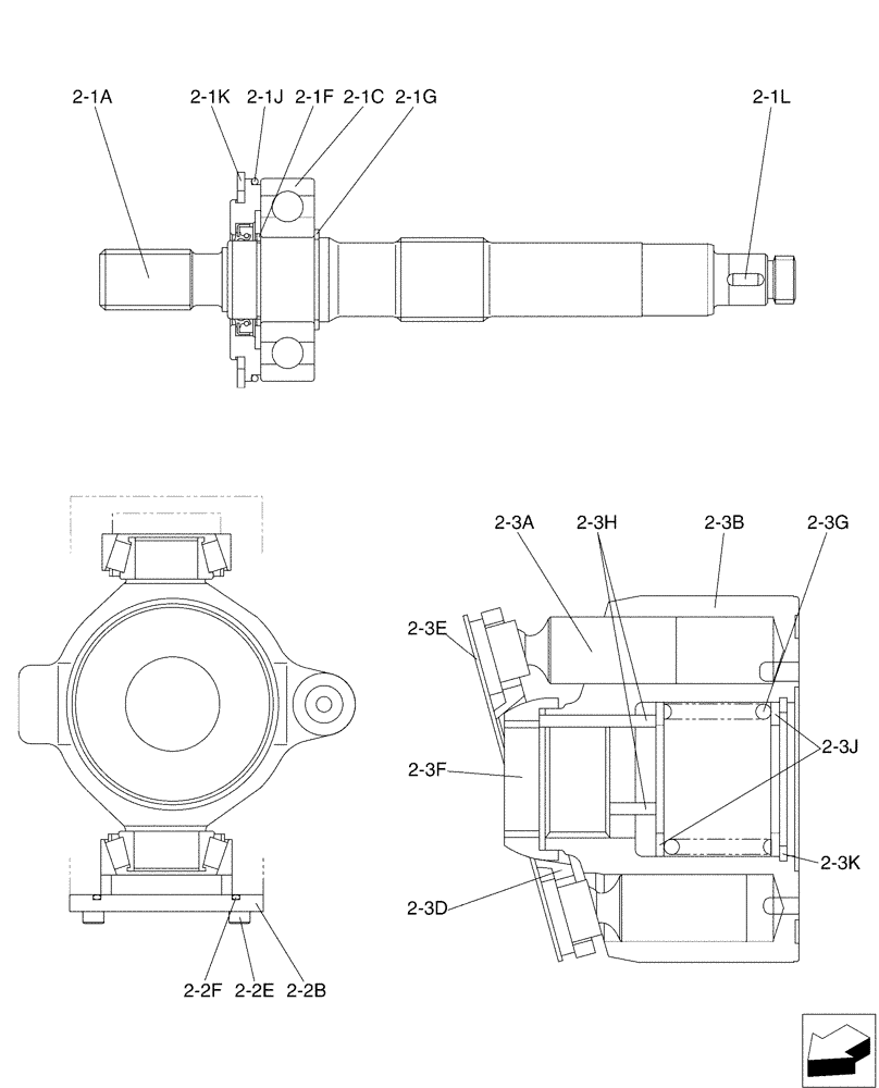
2-1f
2-1j
2-1l
2-1g
2-3k
2-1k
2-3b
2-3j
2-2f
2-3h
2-2b
2-3g
2-3f
2-1c
2-3e
2-3a
2-1a
2-2e
2-3d
FIT
1:1
100%

Артикул

Название

Примечание

Количество

2-1a

YJ10V01001S001

SHAFT

1шт.

2-1c

PW10V00001S003

BEARING

Ball

1шт.

2-1f

ZR16X02800

SNAP RING

1шт.

2-1g

ZR16X03000

SNAP RING

Snap

1шт.

2-1j

PW10V00001S009

O-RING

1шт.

2-1k

ZR26X07200

SNAP RING

1шт.

2-1l

PM10V01001S006

KEY

1шт.

2-2b

2416R252S2

PLATE

Cover

1шт.

2-2e

ZS23C06016

SCREW,Hex Socket Head, M6 x 16mm

Cap

4шт.

2-2f

2416R252S6

O-RING

1шт.

2-3a

PY10V01005S001

PISTON

10шт.

2-3b

PY10V01005S002

BLOCK

1шт.

2-3d

PY10V01005S004

RETAINER

1шт.

2-3e

PY10V01005S005

PLATE

1шт.

2-3f

24100R232S6

GUIDE

1шт.

2-3g

PY10V01005S007

VALVE SPRING

1шт.

2-3h

24100R166S8

PIN

3шт.

2-3j

PY10V01005S009

SPRING SEAT

2шт.

2-3k

ZR26X04000

RING

Snap

1шт.

Выбрано товаров: 19