Запчасти Case CX50B (01-021[04]) - POWER TAKE-OFF ASSY, COOLER (35) - HYDRAULIC SYSTEMS

Схема запчастей Case CX50B - (01-021[04]) - POWER TAKE-OFF ASSY, COOLER (35) - HYDRAULIC SYSTEMS
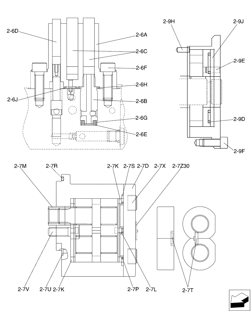
2-6e
2-7d
2-6b
2-6d
2-7m
2-7r
2-7l
2-7z30
2-7t
2-7k
2-9f
2-6c
2-6g
2-6j
2-9d
2-7s
2-9e
2-7p
2-6a
2-7k
2-7v
2-9j
2-6h
2-9h
2-7u
2-6f
2-7x
FIT
1:1
100%

Артикул

Название

Примечание

Количество

2-6a

PH10V01004S001

CYLINDER

1шт.

2-6b

PY10V01008S002

PISTON

1шт.

2-6c

PH10V01004S003

PISTON

2шт.

2-6d

PH10V01004S004

PIN

1шт.

2-6e

PY10V01006S005

SPRING SEAT

1шт.

2-6f

ZS23C08025

SCREW,Hex Socket Head, M8 x 25mm

Cap

2шт.

2-6g

PW10V00001S056

VALVE SPRING

3шт.

2-6h

2436U1852S105

O-RING

1шт.

2-6j

PH10V01004S009

O-RING

1шт.

2-7d

PM10V00014S004

COVER

1шт.

2-7k

PX10V00014S010

PLATE

3шт.

2-7l

2441U466S48

GUIDE

2шт.

2-7m

YJ10V00007S012

COUPLING

1шт.

2-7p

2441U661S13

O-RING

2шт.

2-7r

ZD11G09000

O-RING,89.40mm ID x 95.60mm OD x 3.10mm

1шт.

2-7s

2441U661S11

RING

1шт.

2-7t

2437U392S16

RING

2шт.

2-7u

ZD12P00600

O-RING

1шт.

2-7v

ZS23C10025

SCREW,Hex Socket Head, M10 x 25mm

Cap

2шт.

2-7x

ZS23C10020

SCREW,Hex Socket Head, M10 x 20mm

Cap

4шт.

2-7z30

PX10V00014S030

IDENTITY PLATE

1шт.

2-9d

PX10V00015S004

O-RING

1шт.

2-9e

LE10V01001S039

PIN

Spring

1шт.

2-9f

PH10V00007S006

CAPSCREW

3шт.

2-9h

ZP26D03008

PIN

Spring

1шт.

2-9j

PM10V00015S009

PLATE

1шт.

Выбрано товаров: 26