Запчасти Case CX50B (01-023[01]) - VALVE INSTAL (35) - HYDRAULIC SYSTEMS

Схема запчастей Case CX50B - (01-023[01]) - VALVE INSTAL (35) - HYDRAULIC SYSTEMS
3
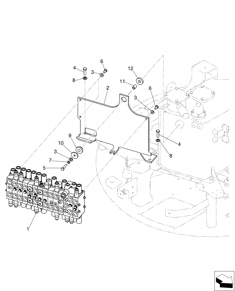
4
6
12
3
8
8
6
4
10
1
5
11
2
3
7
9
FIT
1:1
100%

Артикул

Название

Примечание

Количество

1

PH30V00051F3

VALVE

Control

1шт.

2

PY64H01035P1

BRACKET, SUPPORTING

1шт.

3

ZW16H10000

WASHER

4шт.

4

ZS18C12040

SCREW,Hex, M12 x 40mm

Cap

2шт.

5

ZS18C10050

SCREW,Hex, M10 x 50mm

Cap

1шт.

6

ZS18C10020

SCREW,Hex, M10 x 20mm

Cap

3шт.

7

ZW26X10000

LOCK WASHER

1шт.

8

ZW16H12000

WASHER

2шт.

9

PW64H01062P1

RUBBER

1шт.

10

2418T21137

WASHER

1шт.

11

2418T17903D9

SPACER

1шт.

12

2416Z649

CUSHION

Rubber

1шт.

Выбрано товаров: 12