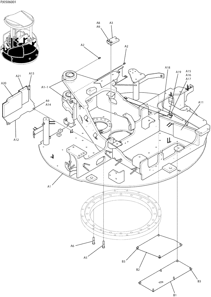
Запчасти Case CX50B (01-001) - FRAME ASSY, UPP (39) - FRAMES AND BALLASTING

Схема запчастей Case CX50B - (01-001) - FRAME ASSY, UPP (39) - FRAMES AND BALLASTING
a3
a2
a14
b2
a13
b3
a6
a9
a16
a9
a1-1
a15
a20
a1
a19
b1
a12
a8
a5
a11
a18
a21
a2
a17
b3
FIT
1:1
100%

Артикул

Название

Примечание

Количество

PY52F00040F1

FRAME GROUP, UPP

1шт.

a1

PH52F00039P1

FRAME, UPP

1шт.

a1-1

PH52F01139P1

BUSHING,80mm ID x 95mm OD x 68mm L

2шт.

a2

ZG91S02000

LUBE NIPPLE,1/8" NPT x 1/8" NPT

2шт.

a3

PH52F01385P1

PLATE

PLATE

1шт.

a5

ZS18C14070

SCREW,Hex, M14 x 70mm

CAP

19шт.

a6

HS18C14070G2

SCREW

CAP

1шт.

a8

ZS18C12040

SCREW,Hex, M12 x 40mm

CAP

2шт.

a9

ZW16X12000

WASHER

4шт.

a11

PH52F01244P1

FOAM INSULATION

1шт.

a12

PH52F01237P1

PLATE

1шт.

a13

PM22C01020DA

SOFT TRIM

TRIM

1шт.

a14

ZS18C12025

SCREW,Hex, M12 x 25mm

CAP

2шт.

a15

ZW26X10000

LOCK WASHER

2шт.

a16

ZW16X10000

WASHER

2шт.

a17

ZS18C10025

SCREW,Hex, M10 x 25mm

2шт.

a18

YX32H01012D3

RUBBER

1шт.

a19

PH52F01311P1

SUPPORT

1шт.

a20

PH52F01324P1

FOAM INSULATION

1шт.

a21

PH52F01325P1

FOAM INSULATION

1шт.

PH24C00010F1

COVER ASSY, UNDER

1шт.

b1

PH24C01073P1

COVER

COVER

1шт.

b2

PH24C01072P1

COVER

COVER

1шт.

b3

ZM12C10020

BOLT

SEMS

10шт.

Выбрано товаров: 24