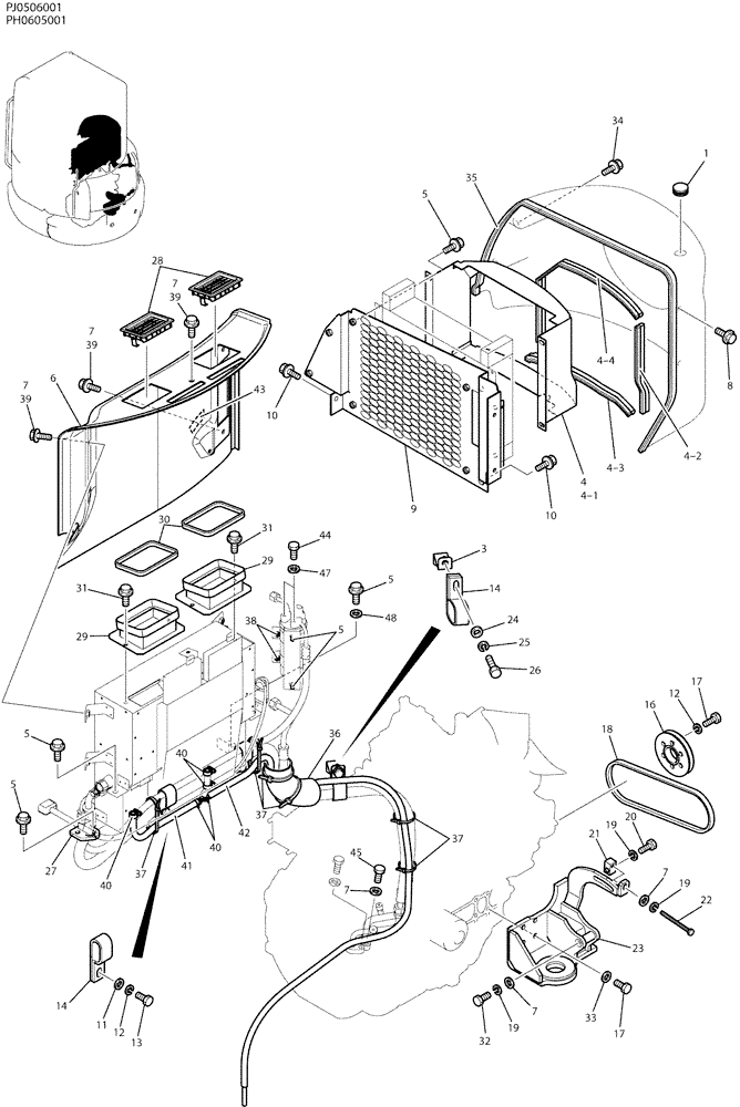
Запчасти Case CX50B (05-018) - COOLER ASSY (50) - CAB CLIMATE CONTROL

Схема запчастей Case CX50B - (05-018) - COOLER ASSY (50) - CAB CLIMATE CONTROL
42
9
30
24
14
37
12
11
35
39
6
7
22
40
31
27
21
33
1
38
5
36
19
17
28
14
13
4-3
5
32
4
19
34
20
29
43
39
29
8
37
5
19
23
5
40
16
4-4
31
25
7
18
44
47
7
3
10
26
7
7
48
37
17
12
45
4-2
39
7
41
10
5
4-1
FIT
1:1
100%

Артикул

Название

Примечание

Количество

PH20M00024F1

COOLER ASSY.

COOLER ASSY

1шт.

1

PE03H01005P1

GROMMET

1шт.

3

PH20M01107P1

BRACKET

1шт.

4

PH20M01129F1

COVER ASSY

1шт.

4-1

PH20M01127P1

COVER

1шт.

4-2

PM02C01035D5

WEATHERSTRIP

1шт.

4-3

PM02C01035D7

WEATHERSTRIP

1шт.

4-4

PM02C01035D8

WEATHERSTRIP

1шт.

5

ZM22C08020

BOLT

SEMS

10шт.

6

PW20M01195P1

COVER

, Serial Range: PJ05-06001-PJ05-06061

1шт.

6

PW20M01195P1

COVER

, Serial Range: PH06-05001-PH06-05044

1шт.

6

PW20M01226P1

COVER

, Start Serial: PJ05-06062

1шт.

6

PW20M01226P1

COVER

, Start Serial: PH06-05045

1шт.

7

ZW16P08000

WASHER

ID 08 x OD 17 x Th 1.6mm, Serial Range: PJ05-06001-PJ05-06061

8шт.

7

ZW16P08000

WASHER

ID 08 x OD 17 x Th 1.6mm, Serial Range: PH06-05001-PH06-05044

8шт.

7

ZW16P08000

WASHER

ID 08 x OD 17 x Th 1.6mm, Start Serial: PJ05-06062

10шт.

7

ZW16P08000

WASHER

ID 08 x OD 17 x Th 1.6mm, Start Serial: PH06-05045

10шт.

8

PA03M01093D2

BOLT

SEMS

2шт.

9

PW20M01190P2

BRACKET

1шт.

10

ZM22C10025

BOLT

SEMS

3шт.

11

ZW16P10000

WASHER

2шт.

12

ZW26X10000

LOCK WASHER

5шт.

13

ZS18C10025

SCREW,Hex, M10 x 25mm

2шт.

14

ZC48X24014

CLIP

3шт.

16

PH20M01035P2

PULLEY

1шт.

17

ZS18C10030

SCREW,Hex, M10 x 30mm

7шт.

18

PW20M01097D1

V-BELT

1шт.

19

ZW26X08000

LOCK WASHER

, Serial Range: PJ05-06001-PJ05-06061

3шт.

19

ZW26X08000

LOCK WASHER

, Serial Range: PH06-05001-PH06-05044

3шт.

19

ZW26X08000

LOCK WASHER

, Start Serial: PJ05-06062

5шт.

19

ZW26X08000

LOCK WASHER

, Start Serial: PH06-05045

5шт.

20

ZS18C08050

SCREW,Hex, M8 x 50mm

1шт.

21

PW20M01088P1

PLATE

1шт.

22

PW20M01155P1

SCREW

CAPSCREW

1шт.

23

PH20M01137P1

BRACKET

1шт.

24

ZW16P12000

WASHER

1шт.

25

ZW26X12000

LOCK WASHER

1шт.

26

ZS18C12025

SCREW,Hex, M12 x 25mm

1шт.

27

PW20M01149P1

GROMMET

1шт.

28

YN20M01356P1

DIFFUSER

2шт.

29

PW20M01209P1

DUCT

2шт.

30

PM22C01013DJ

WEATHERSTRIP

2шт.

31

ZM22C08016

BOLT

4шт.

32

ZS18C08100

SCREW,Hex, M8 x 100mm

, Serial Range: PJ05-06001-PJ05-06061

1шт.

32

ZS18C08100

SCREW,Hex, M8 x 100mm

, Serial Range: PH06-05001-PH06-05044

1шт.

32

ZS18C08100

SCREW,Hex, M8 x 100mm

, Start Serial: PJ05-06062

3шт.

32

ZS18C08100

SCREW,Hex, M8 x 100mm

, Start Serial: PH06-05045

3шт.

33

ZW16H10000

WASHER

4шт.

34

PA03M01093D5

BOLT

SEMS, Serial Range: PJ05-06001-PJ05-06061

2шт.

34

PA03M01093D5

BOLT

SEMS, Serial Range: PH06-05001-PH06-05044

2шт.

35

YY22P01010D5

SOFT TRIM

TRIM

1шт.

36

PH20M01130P1

GASKET

RUBBER

1шт.

37

PY01P01043D6

CABLE TIE,4.80mm W x 383mm L

6шт.

38

ZM61C06020

BOLT

SEMS

2шт.

39

PM03M01471D2

CAPSCREW,BHD, M8

CAP

5шт.

40

ZC16X01400

CLIP

5шт.

41

PU13E01010D3

RIGID TUBE

1шт.

42

PU13E01010DR

PIPE

TUBE

1шт.

43

PH20T01101P1

LABEL

1шт.

44

ZS18C06025

SCREW,Hex, M6 x 25mm

2шт.

45

ZS18C08025

SCREW,Hex, M8 x 25mm

1шт.

47

ZW16P06000

WASHER

2шт.

48

ZW16H08000

WASHER

1шт.

Выбрано товаров: 63