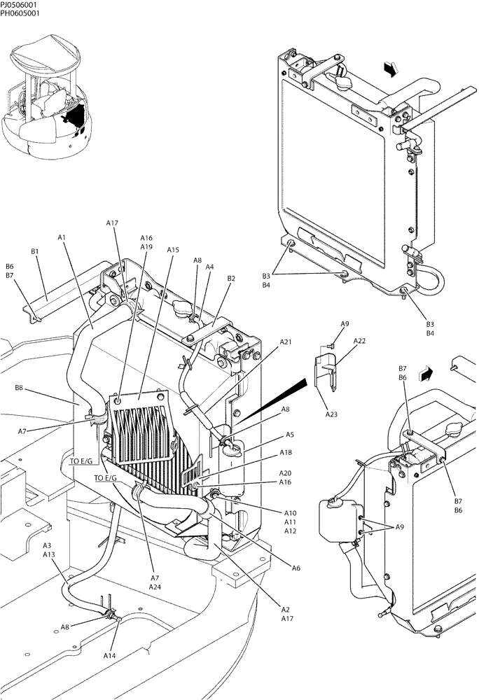
Запчасти Case CX50B (05-003) - RADIATOR INSTAL (COOLER) (10) - ENGINE

Схема запчастей Case CX50B - (05-003) - RADIATOR INSTAL (COOLER) (10) - ENGINE
a20
a15
a9
a7
b2
a24
b1
a17
a9
a21
a22
b7
a19
a4
a23
a14
a5
a17
b4
a11
a12
b6
a2
b7
a18
a13
b3
a7
b7
b8
a16
a1
b4
b6
a8
a6
a3
a16
b6
a10
a8
b3
a8
FIT
1:1
100%

Артикул

Название

Примечание

Количество

PH05P00024F1

RADIATOR GROUP

1шт.

a1

PH05P01221P1

RADIATOR HOSE

1шт.

a2

PH05P01153P1

RADIATOR HOSE

1шт.

a3

NSS

NOT SOLD SEPARAT

HOSE

1шт.

a4

NSS

NOT SOLD SEPARAT

HOSE

1шт.

a5

PU01P01024F1

RESERVOIR

1шт.

a6

ZC46X38014

CLIP

1шт.

a7

PH05P01088D3

CLIP

1шт.

a8

NSS

NOT SOLD SEPARAT

CLIP

4шт.

a9

ZM61C06020

BOLT

4шт.

a10

ZS18C08020

SCREW,Hex, M8 x 20mm

1шт.

a11

ZW26X08000

LOCK WASHER

1шт.

a12

YR21C01161P1

WASHER,9mm ID x 22mm OD x 2.3mm Thk

1шт.

a13

PU13E01002DU

TUBE

1шт.

a14

PW05P01117P1

PLUG

1шт.

a15

PH05P01262P1

GUARD

1шт.

a16

ZW16X08000

WASHER,8mm ID x 17mm OD x 1.6mm Thk

4шт.

a17

PH05P01179P1

CLIP,35.5mm - 45.7mm

2шт.

a18

PH05P01285P1

GUARD

GUARD

1шт.

a19

ZS18C08030

SCREW,Hex, M8 x 30mm

2шт.

a20

ZS18C08016

SCREW,Hex, M8 x 16mm

2шт.

a21

PU13E01002D4

TUBE

1шт.

a22

PH05P01282P1

BRACKET

BRACKET

1шт.

a23

YT02C01515D4

SOFT TRIM

TRIM

1шт.

a24

ZC16X03300

FASTENER

1шт.

PH05P00027F1

RADIATOR INSTAL

1шт.

b1

PH05P01231P1

STAY

1шт.

b2

PH05P01232P1

STAY

1шт.

b3

ZS18C10030

SCREW,Hex, M10 x 30mm

3шт.

b4

ZW16H10000

WASHER

3шт.

b6

ZS18C08025

SCREW,Hex, M8 x 25mm

4шт.

b7

ZW16H08000

WASHER

4шт.

b8

PH05P00026F1

RADIATOR

RADIATOR ASSY, SEE FIG. 01-008

1шт.

Выбрано товаров: 33