Запчасти Case CX50B (01-026) - HYD LINES, PUMP (35) - HYDRAULIC SYSTEMS

Схема запчастей Case CX50B - (01-026) - HYD LINES, PUMP (35) - HYDRAULIC SYSTEMS
17
20
20
9
25
2
20
3
5
2-1
18
24
12
3-1
23
19
2
4
10
26-1
14
26
15
21
6
6
2-1
11
22
2-1
16
2
20
13
8
5-1
FIT
1:1
100%

Артикул

Название

Примечание

Количество

PH30H00006F1

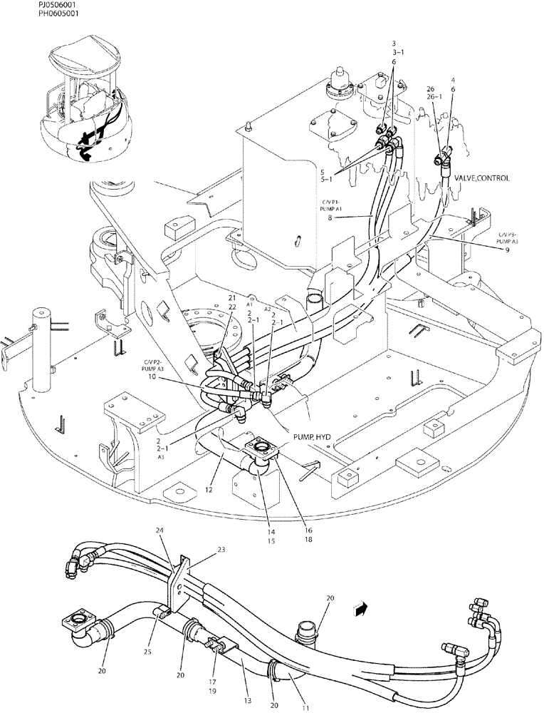
HYD LINES, PUMP

1шт.

2

HH35S08008G1

90 ELBOW

3шт.

2-1

ZD12P01800

O-RING

1шт.

3

2444T2505

HYD CONNECTOR

2шт.

3-1

ZD12P01400

O-RING

1шт.

4

PA32H01017P1

TEE

1шт.

5

HH25S08008G1

HYD CONNECTOR

2шт.

5-1

ZD12P01800

O-RING

1шт.

6

ZE72X04000

PLUG

3шт.

8

PH30H01050P1

HOSE,12.7mm ID x 1850mm L

1шт.

9

PH30H01052P1

HOSE,12.7mm ID x 1850mm L

1шт.

10

PH30H01051P1

HOSE,12.7mm ID x 2000mm L

1шт.

11

PH30H01048P1

HOSE

1шт.

12

PH30H01042P1

HOSE

1шт.

13

PH30H01037P1

TUBE

1шт.

14

PH30H01040P1

TUBE

1шт.

15

ZD11G05000

O-RING,3.1mm Thk x 49.4mm ID, 70 Duro

O-RING

1шт.

16

ZS28C12035

CAPSCREW,Hex Socket Head, M12 x 35mm

CAP

4шт.

17

ZS18C12030

SCREW,Hex, M12 x 30mm

CAP

2шт.

18

ZW26K12000

LOCK WASHER

4шт.

19

ZW16H12000

WASHER

2шт.

20

ZC16X05000

CLIP

8шт.

21

ZN18C08007

NUT

1шт.

22

ZW16H08000

WASHER

1шт.

23

PH30H01049P1

GROMMET

1шт.

24

PH30H01045P1

PLATE

1шт.

25

PM21C01152DL

WEATHERSTRIP

1шт.

26

HH25R08008GB

HYD CONNECTOR

1шт.

26-1

ZD12P01800

O-RING

1шт.

Выбрано товаров: 0