Запчасти Case CX50B (01-030) - HYD LINES, RETURN (35) - HYDRAULIC SYSTEMS

Схема запчастей Case CX50B - (01-030) - HYD LINES, RETURN (35) - HYDRAULIC SYSTEMS
6-1
11
3-1
16
40
10
22
19
41
39
37
18
40
5
16
39
24
13
11
19
6
21
31
16
14
4
42
16
33-1
6
16
20
28
28-1
41
11
5-1
6-1
23
16
17
38
5-1
11
5
16
5-1
18
13
16
39
5
33
3
17
26
FIT
1:1
100%

Артикул

Название

Примечание

Количество

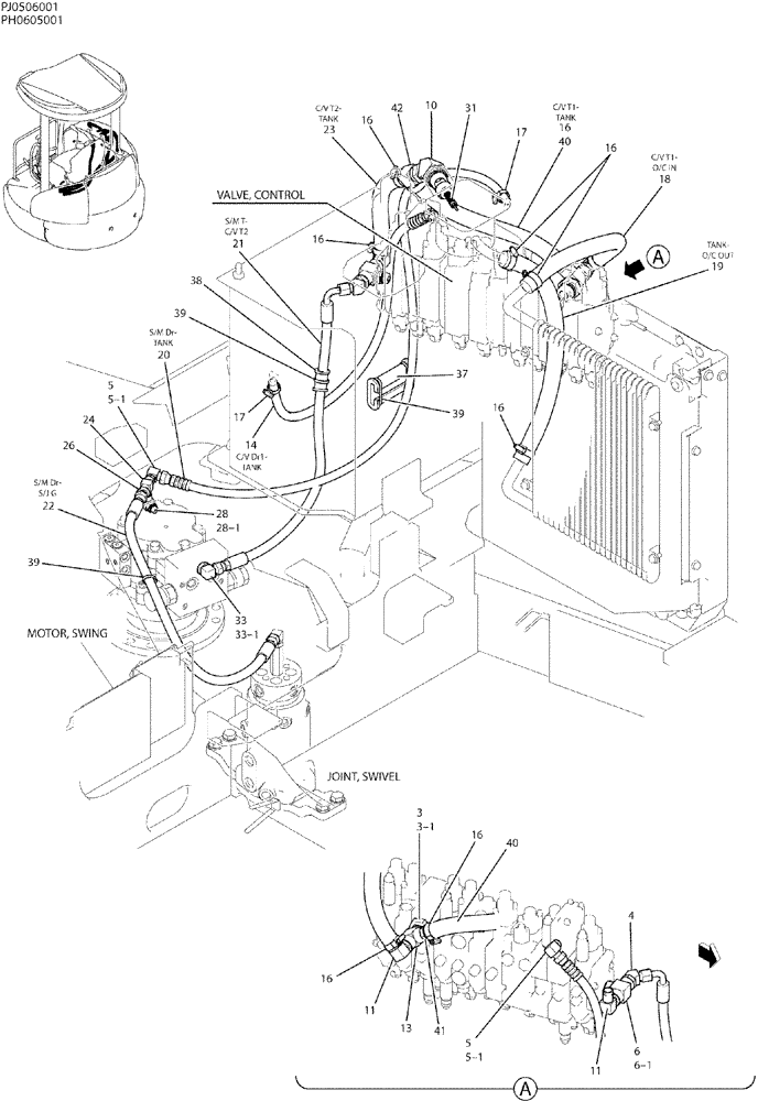
PH32H00009F1

HYD LINES, RETURN

1шт.

3

HH25R16008G1

HYD CONNECTOR

1шт.

3-1

ZD12P02900

O-RING

1шт.

4

HH45S06008G1

ELBOW

1шт.

5

HH35S06004G1

90 ELBOW

CONNECTOR

2шт.

5-1

ZD12P01400

O-RING

1шт.

6

PY30H01008P1

TEE,PF 1/2" x PF 1/2"

1шт.

6-1

ZD12P01800

O-RING

1шт.

10

HH45S12016G1

ELBOW

1шт.

11

PW32H01028P1

ELBOW

2шт.

13

HH55Q08008G3

TEE,PF 1/2" x PF 1/2", O-Ring

1шт.

14

PW68H01023D3

HOSE,9.5mm ID x 880mm L

1шт.

16

ZC16X02800

CLIP

8шт.

17

ZC16X01800

CLIP

2шт.

18

PW32H01026D7

HOSE,19mm ID x 490mm L

1шт.

19

PW32H01026D2

HOSE,19mm ID x 560mm L

1шт.

20

PW68H01023DE

HOSE,9.5mm ID x 1600mm L

1шт.

21

HX32L06086DX

HOSE

1шт.

22

HX22L06064DY

HOSE,9.5mm ID x 640mm L

1шт.

23

PW32H01026D8

HOSE

HOSE

1шт.

24

2444Z4239

TEE

1шт.

26

HH25S06004G1

HYD CONNECTOR

1шт.

28

2444Z2894

90 ELBOW

ELBOW

1шт.

28-1

ZD12P01100

O-RING

1шт.

31

PW21V00003F1

VALVE

ASSY

1шт.

33

HH35S06006G1

90 ELBOW,90 Degree, 3/8" PF x 3/8" PF x 60mm L

1шт.

33-1

ZD12P01400

O-RING

1шт.

37

2420Z2185

GROMMET

1шт.

38

PB42H01021P1

BUSHING

BUSHING

1шт.

39

PY01P01043D6

CABLE TIE,4.80mm W x 383mm L

4шт.

40

PW32H01026D9

HOSE

1шт.

41

PH32H01022P1

HYD CONNECTOR

CONNECTOR

1шт.

42

PH32H01023P1

TEE

TEE

1шт.

Выбрано товаров: 0