Запчасти Case CX50B (05-004) - CONTROL LINES, REMOTE-COOLER (35) - HYDRAULIC SYSTEMS

Схема запчастей Case CX50B - (05-004) - CONTROL LINES, REMOTE-COOLER (35) - HYDRAULIC SYSTEMS
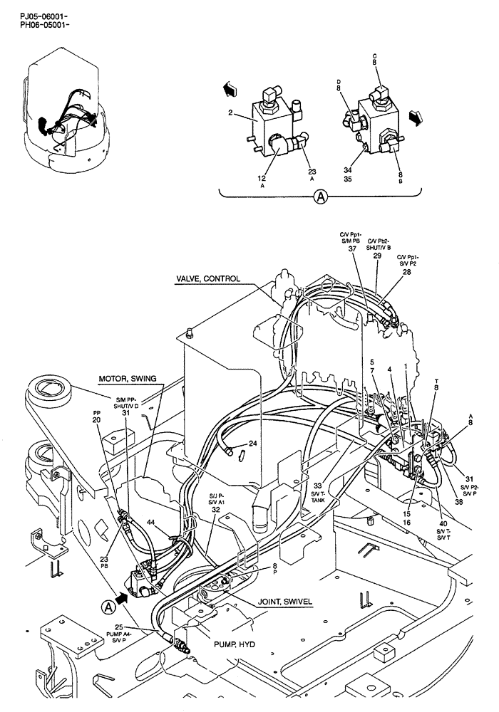
2
37
20
7
16
33
31
23
8
40
24
1
8
8
8
29
32
28
23
5
4
25
15
44
35
8
31
8
34
38
12
FIT
1:1
100%

Артикул

Название

Примечание

Количество

PH64H00041F1

CONTROL LINES, VALVE

1шт.

1

PX35V00003F1

VALVE

ASSY, SOLENOID

1шт.

SEE (C.P.M)

1шт.

2

PH26V00001F1

VALVE

1шт.

4

PW64H01072P1

BRACKET

1шт.

5

ZS18C08020

SCREW,Hex, M8 x 20mm

2шт.

7

ZW16H08000

WASHER

2шт.

8

HH35S04004G1

90 ELBOW

6шт.

12

2444Z2894

90 ELBOW

1шт.

15

ZS18C10035

SCREW,Hex, M10 x 35mm

2шт.

16

ZW16H10000

WASHER

2шт.

20

HH25S04004G1

HYD CONNECTOR

1шт.

23

HH45S04004G1

45 ELBOW

2шт.

24

ZC16X01800

CLIP

1шт.

25

HX25L06170DY

HOSE,9.5mm ID x 1700mm L

1шт.

28

HX34L04130DX

HOSE,6.3mm ID x 1300mm L

1шт.

29

HX34L04180DX

HOSE

1шт.

31

HX24L04028DX

HOSE

2шт.

32

HX24L04140DX

HOSE

1шт.

33

PW68H01023D3

HOSE,9.5mm ID x 880mm L

1шт.

34

ZS18C06065

SCREW,Hex, M6 x 65mm

2шт.

35

ZW16H06000

WASHER

2шт.

37

HX24L04180DX

HOSE ASSY.

1шт.

38

YJ35V00004F2

SOLENOID VALVE

VALVE ASSY, SOLENOID

1шт.

SEE (C.P.M)

1шт.

40

HX22L04028DX

HOSE,6.3mm ID x 280mm L

1шт.

44

PY01P01043D8

CABLE TIE,102mm L

1шт.

Выбрано товаров: 0