Запчасти Case CX50B (HC400) - PUMP ASSEMBLY (35) - HYDRAULIC SYSTEMS

Схема запчастей Case CX50B - (HC400) - PUMP ASSEMBLY (35) - HYDRAULIC SYSTEMS
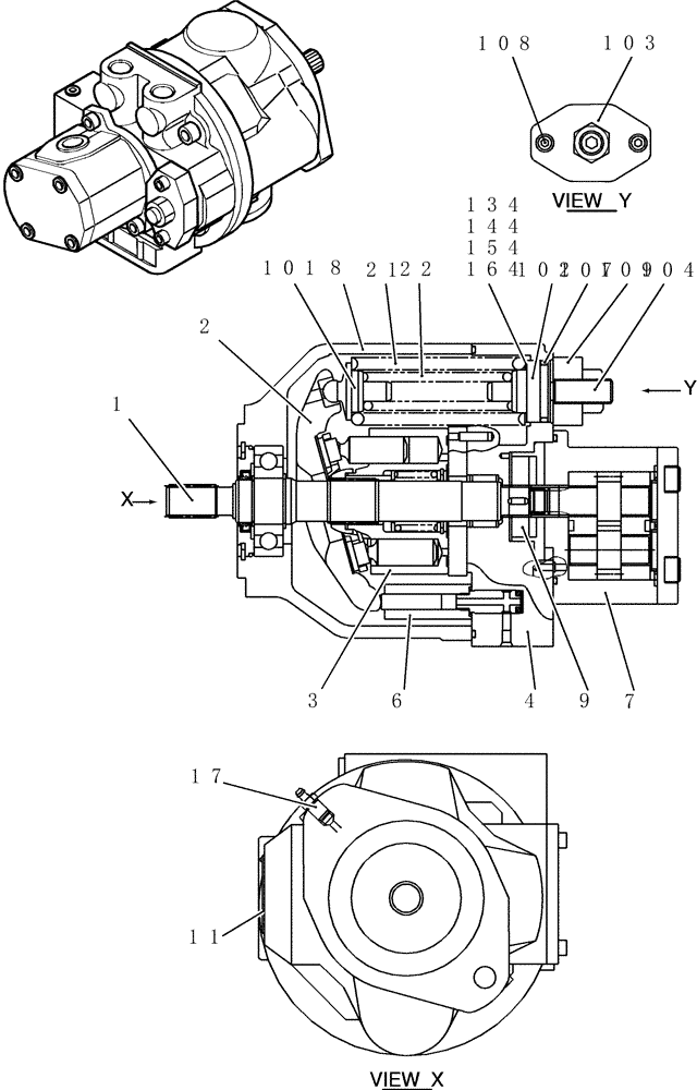
3
11
9
2
104
108
109
101
102
144
154
8
134
1
107
164
22
6
21
17
7
4
103
FIT
1:1
100%

Артикул

Название

Примечание

Количество

PH10V00013F1

HYDRAULIC PUMP

Pump Assy

1шт.

1

YJ10V01001F1

SHAFT ASSY.

( See HC401)

1шт.

2

PY10V01002F1

BLOCK ASSY.

( See HC402)

1шт.

3

PY10V01005F1

ROTOR ASSY.

( See HC403)

1шт.

4

PH10V01007F1

COVER ASSY

( See HC404)

1шт.

6

PH10V01009F1

PISTON ASSY

( See HC406)

1шт.

7

PH10V00011F1

PUMP

Pump Assy, Gear ( See HC410)

1шт.

8

NSS

NOT SOLD SEPARAT

Housing

1шт.

9

PX10V00015F1

PUMP

Assy ( See HC408)

1шт.

11

NSS

NOT SOLD SEPARAT

Name Plate

1шт.

17

PY10V00007S017

BREATHER

1шт.

21

PY10V01004S006

SPRING

1шт.

22

PH10V01003S005

SPRING

1шт.

101

PY10V01004S001

SPRING SEAT

1шт.

102

PH10V01003S002

SPRING SEAT

1шт.

103

PY10V01004S003

COVER

1шт.

104

PY10V01004S004

ADJUSTMENT SCREW

Bolt

1шт.

107

ZD11P03400

O-RING

1шт.

108

ZS23C08030

SCREW,Hex Socket Head, M8 x 30mm

Cap

2шт.

109

PY10V01004S009

NUT

1шт.

134

PM10V01005S054

SHIM,0.3mm Thk

2шт.

144

PH10V00013S144

SHIM,0.5mm Thk

(0.5)

2шт.

154

PW10V00001S048

SHIM,1.0mm Thk

2шт.

164

PW10V00001S049

SHIM,2.0mm Thk

2шт.

Выбрано товаров: 24