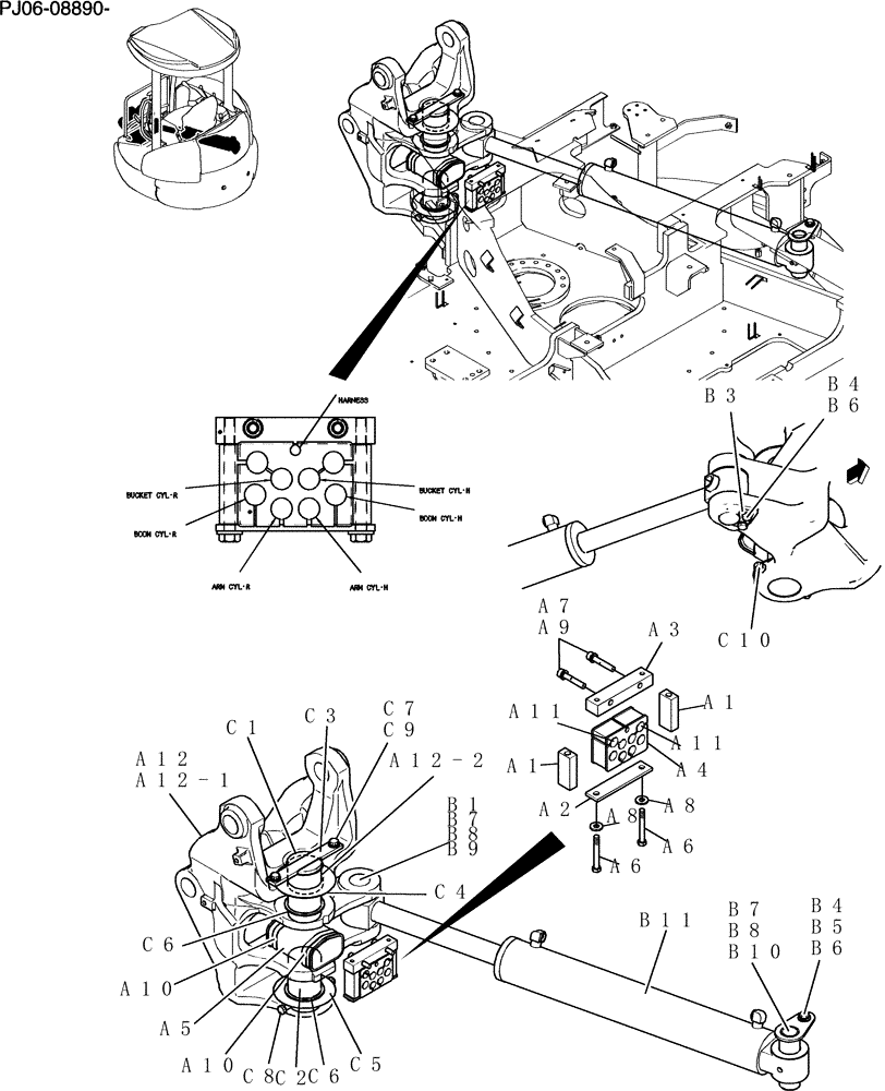
Запчасти Case CX50B (013-01[1]) - BRACKET ASSY, SWING (39) - FRAMES AND BALLASTING

Схема запчастей Case CX50B - (013-01[1]) - BRACKET ASSY, SWING (39) - FRAMES AND BALLASTING
b8
b3
a7
b7
b7
c1
a8
b4
b4
b10
a11
c8
c2
a6
c3
c6
a1
a6
b1
b11
a8
a12-1
b6
c7
b5
a11
b8
a9
a10
c9
c5
a2
c6
a4
a3
b6
c4
b9
a1
a12
a10
a5
a12-2
c10
FIT
1:1
100%

Артикул

Название

Примечание

Количество

PY02B00119F1

Group, Swing

1шт.

a1

PY02B01247P1

2шт.

a2

PY02B01244P1

1шт.

a3

PY02B01245P1

PLATE

1шт.

a4

PY02B01246P1

RUBBER INSULATOR

1шт.

a5

PY02B01168P2

GROMMET

1шт.

a6

ZS18C10110

SCREW,Hex, M10 x 110mm

Cap

2шт.

a7

ZS28C10055

SCREW,Hex Socket Head, M10 x 55mm

Cap

2шт.

a8

ZW16H10000

WASHER

2шт.

a9

ZW26X10000

LOCK WASHER

2шт.

a10

YX03H01046P1

CLIP

2шт.

a11

PX02B01267P1

RUBBER STRIP

2шт.

a12

PY02B00093F1

BRACKET

Assy, Swing

1шт.

a12-1

PY02B00094P1

Swing

1шт.

a12-2

PY02B01146P1

BUSHING,80mm ID x 90mm OD x 40.5mm L

1шт.

PY02B00116F1

Instal

1шт.

b1

PY02B01163P1

PIN,50mm OD x 164mm L

1шт.

b3

PH02B01065P1

PLATE

1шт.

b4

ZS18C12025

SCREW,Hex, M12 x 25mm

Cap

3шт.

b5

2418T12345

WASHER

1шт.

b6

ZW26X12000

LOCK WASHER

3шт.

b7

PH02B01067P1

SHIM,0.5mm Thk

(0.5)

6шт.

b8

2418T6856D3

SHIM

(0.9)

2шт.

b9

PY02B01187P1

SHIM,2.0mm Thk

(2.0)

2шт.

b10

PY02B01241P1

PIN

1шт.

b11

PH01V00031F1

CYLINDER

Assy, Swing

1шт.

See (C.P.M)

1шт.

PY02B00109F1

Instal, Swing

1шт.

c1

PY02B01233P1

PIN,80mm OD x 154mm L

1шт.

c2

PY02B01234P1

PIN,80mm OD x 140mm L

1шт.

c3

PY02B01177P1

PLATE

1шт.

c4

PH02B01051P1

WASHER

1шт.

c5

PH02B01066P1

SHIM,0.5mm Thk

(0.5)

1шт.

c6

2445R138D7

SEAL,80mm ID x 95mm OD x 4mm Thk

Seal, Dust

2шт.

c7

ZS18C12025

SCREW,Hex, M12 x 25mm

Cap

2шт.

c8

HS18C12170G1

SCREW

Cap

1шт.

c9

ZW16H12000

WASHER

2шт.

c10

ZN18C12010

NUT

2шт.

Выбрано товаров: 38