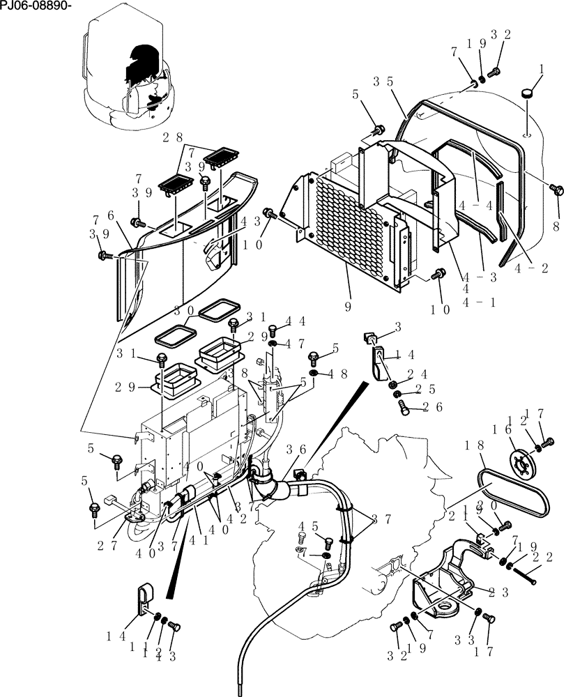
Запчасти Case CX50B (781-01[1]) - COOLER ASSEMBLY (50) - CAB CLIMATE CONTROL

Схема запчастей Case CX50B - (781-01[1]) - COOLER ASSEMBLY (50) - CAB CLIMATE CONTROL
39
19
14
21
4-1
12
17
29
20
19
4-4
45
40
33
30
41
11
47
19
36
39
7
10
7
16
12
19
9
27
37
3
4
1
13
5
25
42
4-2
5
4-3
37
26
29
7
31
35
14
31
8
32
23
48
5
28
40
32
24
18
7
5
44
43
22
40
7
39
38
10
7
6
5
7
37
17
FIT
1:1
100%

Артикул

Название

Примечание

Количество

PH20M00024F1

COOLER ASSY.

1шт.

1

PE03H01005P1

GROMMET

1шт.

3

PH20M01107P1

BRACKET

1шт.

4

PH20M01129F1

COVER ASSY

1шт.

4-1

PH20M01127P1

COVER

1шт.

4-2

PM02C01035D5

WEATHERSTRIP

1шт.

4-3

PM02C01035D7

WEATHERSTRIP

1шт.

4-4

PM02C01035D8

WEATHERSTRIP

1шт.

5

ZM22C08020

BOLT

Sems

10шт.

6

PW20M01226P1

COVER

1шт.

7

ZW16P08000

WASHER

10шт.

8

PA03M01093D2

BOLT

Sems

2шт.

9

PW20M01190P2

BRACKET

1шт.

10

ZM22C10025

BOLT

Sems

3шт.

11

ZW16P10000

WASHER

2шт.

12

ZW26X10000

LOCK WASHER

5шт.

13

ZS18C10025

SCREW,Hex, M10 x 25mm

2шт.

14

ZC48X24014

CLIP

3шт.

16

PH20M01035P2

PULLEY

1шт.

17

ZS18C10030

SCREW,Hex, M10 x 30mm

Cap

7шт.

18

PW20M01097D1

V-BELT

1шт.

19

ZW26X08000

LOCK WASHER

5шт.

20

ZS18C08050

SCREW,Hex, M8 x 50mm

Cap

1шт.

21

PW20M01088P1

PLATE

1шт.

22

PW20M01155P1

SCREW

1шт.

23

PH20M01137P1

BRACKET

1шт.

24

ZW16P12000

WASHER

1шт.

25

ZW26X12000

LOCK WASHER

1шт.

26

ZS18C12025

SCREW,Hex, M12 x 25mm

Cap

1шт.

27

PW20M01149P1

GROMMET

1шт.

28

YN20M01356P1

DIFFUSER

Grille

2шт.

29

PW20M01209P1

DUCT

2шт.

30

PM22C01013DJ

WEATHERSTRIP

2шт.

31

ZM22C08016

BOLT

Sems

4шт.

32

ZS18C08100

SCREW,Hex, M8 x 100mm

Cap

3шт.

33

ZW16H10000

WASHER

4шт.

35

YY22P01010D5

SOFT TRIM

1шт.

36

PH20M01130P1

GASKET

1шт.

37

PY01P01043D6

CABLE TIE,4.80mm W x 383mm L

6шт.

38

ZM61C06020

BOLT

Sems

2шт.

39

PM03M01471D2

CAPSCREW,BHD, M8

Cap

5шт.

40

ZC16X01400

CLIP

5шт.

41

PU13E01010D3

RIGID TUBE

1шт.

42

PU13E01010DR

PIPE

1шт.

43

PH20T01101P1

LABEL

1шт.

44

ZS18C06025

SCREW,Hex, M6 x 25mm

Cap

2шт.

45

ZS18C08025

SCREW,Hex, M8 x 25mm

Cap

1шт.

47

ZW16P06000

WASHER

2шт.

48

ZW16H08000

WASHER

1шт.

Выбрано товаров: 49