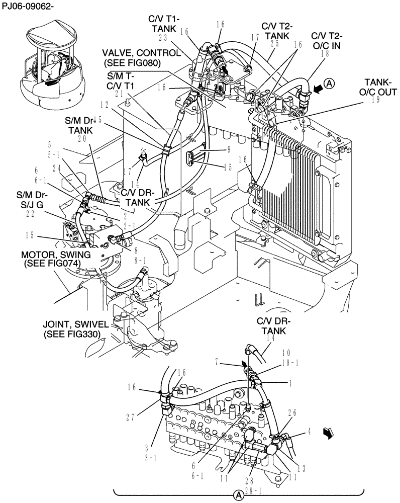
Запчасти Case CX50B (110-72[1]) - HYD LINES, RETURN ANGLE DOZER (86) - DOZER

Схема запчастей Case CX50B - (110-72[1]) - HYD LINES, RETURN ANGLE DOZER (86) - DOZER
25
3
6
8
10
6-1
16
22
11
2
16
2-1
15
28-1
16
15
14
24
27
10-1
11
16
15
1
4
18
20
16
13
9
5-1
16
28
14
16
23
17
26
12
3-1
7
6
21
8-1
19
6-1
5
17
FIT
1:1
100%

Артикул

Название

Примечание

Количество

PH32H00012F1

Hyd, Return

1шт.

1

PY32H01005P1

TEE

1шт.

2

2444Z2894

90 ELBOW

Elbow

1шт.

2-1

ZD12P01100

O-RING

1шт.

3

HH35S12012G1

ELBOW

1шт.

3-1

ZD12P02400

O-RING

1шт.

4

HH25S06008G1

HYD CONNECTOR

1шт.

5

HH35S06004G1

90 ELBOW

1шт.

5-1

ZD12P01400

O-RING

1шт.

6

HH25S06004G3

HYD CONNECTOR

2шт.

6-1

ZD12P01100

O-RING

1шт.

7

PW21V00003F1

VALVE

Assy

1шт.

8

HH35S06006G1

90 ELBOW,90 Degree, 3/8" PF x 3/8" PF x 60mm L

1шт.

8-1

ZD12P01400

O-RING

1шт.

9

2420Z2185

GROMMET

1шт.

10

HH25S12016G1

HYD CONNECTOR

1шт.

10-1

ZD12P02900

O-RING

1шт.

11

2444Z3715

90 ELBOW

3шт.

12

PB42H01021P1

BUSHING

1шт.

13

HH55Q08008G3

TEE,PF 1/2" x PF 1/2", O-Ring

1шт.

14

PH32H01027D2

HOSE

1шт.

15

PY01P01043D6

CABLE TIE,4.80mm W x 383mm L

4шт.

16

ZC16X02800

CLIP

8шт.

17

ZC16X01800

CLIP

2шт.

18

PW32H01026DM

1шт.

19

PW32H01026D2

HOSE,19mm ID x 560mm L

1шт.

20

PW68H01023DE

HOSE,9.5mm ID x 1600mm L

1шт.

21

HX32L06090DX

HOSE

1шт.

22

HX32L06054DX

HOSE

1шт.

23

PW32H01026DF

HOSE

1шт.

24

2444Z4239

TEE

1шт.

25

PW32H01026DE

HOSE

1шт.

26

PH32H01022P1

HYD CONNECTOR

1шт.

27

PH32H01023P1

TEE

1шт.

28

2444T2958

HYD CONNECTOR

1шт.

28-1

ZD12P01800

O-RING

1шт.

Выбрано товаров: 36