Запчасти Case CX50B (046-01[1]) - MUFFLER ASSY (10) - ENGINE

Схема запчастей Case CX50B - (046-01[1]) - MUFFLER ASSY (10) - ENGINE
20
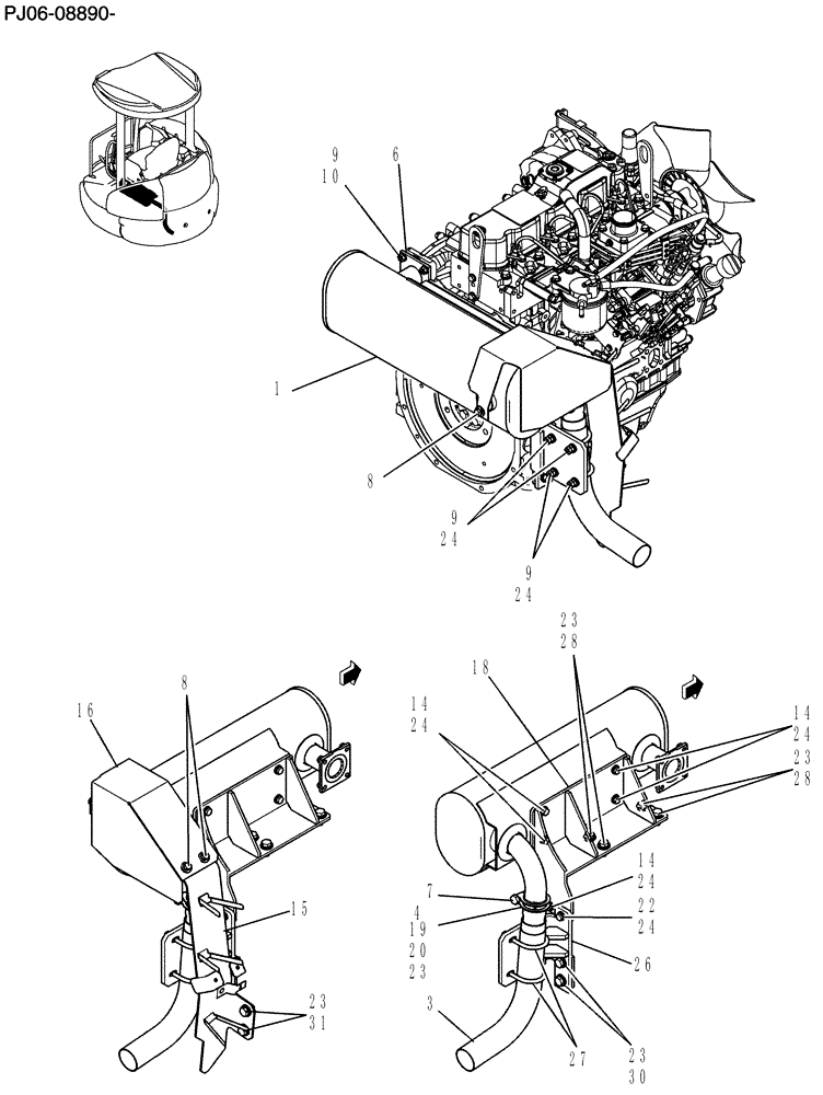
1
9
24
6
14
16
15
24
9
23
10
7
9
19
8
23
24
30
8
28
23
31
28
24
24
26
4
14
24
14
18
3
27
23
22
23
FIT
1:1
100%

Артикул

Название

Примечание

Количество

PH12P00013F1

1шт.

1

PH12P00010P1

MUFFLER

1шт.

3

PH12P01100P1

TUBE

Exhaust

1шт.

4

PH12P01044P1

CLAMP

1шт.

6

PH12P01056P1

GASKET

1шт.

7

ZS18C10060

SCREW,Hex, M10 x 60mm

Cap

1шт.

8

PA21C01133P1

BOLT

Sems

3шт.

9

ZN18C08007

NUT

12шт.

10

ZW16X08000

WASHER,8mm ID x 17mm OD x 1.6mm Thk

4шт.

14

ZS18C08020

SCREW,Hex, M8 x 20mm

5шт.

15

PH12P01086P1

COVER

1шт.

16

PH12P01069P1

COVER

1шт.

18

PH12P01077P1

BRACKET

1шт.

19

ZN18C10008

NUT

1шт.

20

ZW26X10000

LOCK WASHER

1шт.

22

ZS18C08030

SCREW,Hex, M8 x 30mm

Cap

1шт.

23

ZW16H10000

WASHER

9шт.

24

ZW16H08000

WASHER

10шт.

26

PH12P01097P1

BRACKET

1шт.

27

2420T2948D4

BOLT

U

2шт.

28

ZS18C10025

SCREW,Hex, M10 x 25mm

4шт.

30

ZS18C10030

SCREW,Hex, M10 x 30mm

Cap

2шт.

31

ZS18C10020

SCREW,Hex, M10 x 20mm

Cap

2шт.

Выбрано товаров: 23