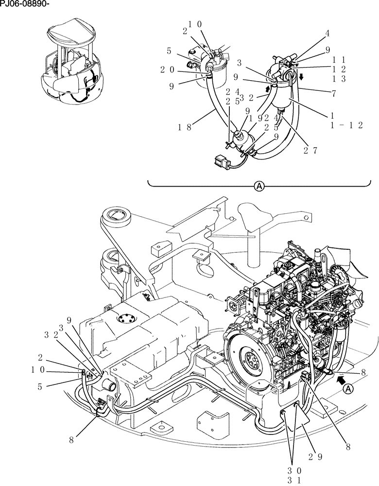
Запчасти Case CX50B (052-01[1]) - FUEL LINES (10) - ENGINE

Схема запчастей Case CX50B - (052-01[1]) - FUEL LINES (10) - ENGINE
8
7
32
3
2
24
9
5
5
10
4
11
13
25
24
9
10
9
19
3
9
31
1-12
2
29
20
27
18
12
30
25
9
32
8
8
9
1
FIT
1:1
100%

Артикул

Название

Примечание

Количество

PH21P00004F1

Fuel

1шт.

1

PH02P01056P1

SEPARATOR

Assy, Water

1шт.

2

PH21P01008D1

HOSE,7mm ID x 2450mm L

1шт.

3

PA21P01004DN

HOSE

1шт.

4

PA21P01004D6

HOSE

1шт.

5

PW21P01003DA

TUBE

1шт.

7

PU13E01002D7

TUBE

1шт.

8

PY01P01043D3

CABLE TIE,188mm L

4шт.

9

PH05P01088D5

CLIP

6шт.

10

PH05P01088D6

CLIP

2шт.

11

ZS18C08075

SCREW,Hex, M8 x 75mm

Cap

1шт.

12

ZW16X08000

WASHER,8mm ID x 17mm OD x 1.6mm Thk

1шт.

13

ZW26X08000

LOCK WASHER

Lock

1шт.

18

PU13E01002D4

TUBE

1шт.

19

PW22P00001P1

FUEL PUMP

1шт.

20

PA21P01004D3

HOSE

1шт.

24

ZS18C06016

SCREW,Hex, M6 x 16mm

Cap

2шт.

25

ZW16X06000

WASHER

2шт.

27

HX11Y04050DX

HOSE,6mm ID x 500mm L

1шт.

29

PH21P01009P1

1шт.

30

ZS18C10020

SCREW,Hex, M10 x 20mm

Cap

2шт.

31

ZW16X10000

WASHER

2шт.

32

PU13E01002DM

TUBE

1шт.

1

VV12990655700

SEPARATOR

Assy, Water

1шт.

1-12

VV11980255710

FILTER STRAINER

Element, Separator

1шт.

Выбрано товаров: 0