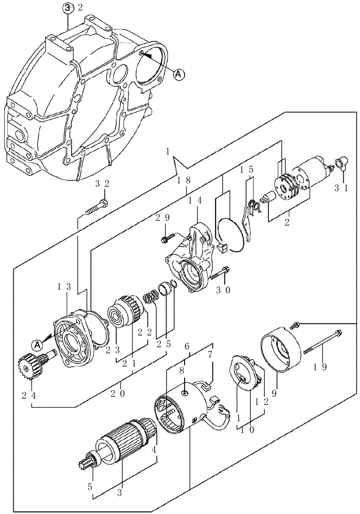
Запчасти Case CX50B (4TNV88-BXYB-32[1]) - STARTING MOTOR (10) - ENGINE

Схема запчастей Case CX50B - (4TNV88-BXYB-32[1]) - STARTING MOTOR (10) - ENGINE
2
32
7
23
19
6
31
4
13
14
-2
8
12
20
9
22
3
18
10
11
24
1
5
21
30
29
25
15
FIT
1:1
100%

Артикул

Название

Примечание

Количество

1

VV12913677011

STARTER MOTOR

1шт.

2

VV12913677310

SHAFT

Pinion

1шт.

3

VV12990077400

ARMATURE

Assy

1шт.

4

VVX2130350900

BALL BEARING

1шт.

5

VVX2114255110

BALL BEARING

1шт.

6

VV12990077440

COIL ASSY.

Field

1шт.

7

VV12990077450

COMMUTATOR BRUSH

(+)

2шт.

8

VV17100877450

SCREW

Pole Core Set

4шт.

9

VV12990077460

REAR COVER

1шт.

10

VV12990077480

HOLDER

Assy, Brash

1шт.

11

VV12990077450

COMMUTATOR BRUSH

(+)

2шт.

12

VV12940077490

SPRING

Brush

4шт.

13

VV17100877510

TRANSMISSION HOUSING

Assy, Gear

1шт.

14

VV12913677520

HOUSING

Center

1шт.

15

VV17100877540

LEVER

Set, Shift

1шт.

18

VV12940077571

COVER

Dust , (non-asb.)

1шт.

19

VV12990077640

BOLT

Throught

2шт.

20

VV17100877650

PINION

Assy

1шт.

21

VVX2114555500

CLUTCH ASSEMBLY

1шт.

22

VVX2114955020

BALL BEARING

1шт.

23

VVX2240410100

BALL BEARING

1шт.

24

VV17100877660

SHAFT

Pinion

1шт.

25

VV17100877670

STOP

Stopper Set, Pinion

1шт.

29

VV26106060322

BOLT,M6 x 32mm

M 6 x 32 Plated

2шт.

30

VV26106060402

BOLT,M6 x 40mm

M 6 x 40 Plated

3шт.

31

VV17100877750

PROTECTIVE COVER

M Terminal

1шт.

32

VV26116120252

BOLT

M12 x 25 Plated

2шт.

Выбрано товаров: 27