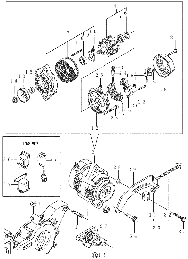
Запчасти Case CX50B (4TNV88-BXYB-34[1]) - GENERATOR (10) - ENGINE

Схема запчастей Case CX50B - (4TNV88-BXYB-34[1]) - GENERATOR (10) - ENGINE
17
21
37
33
8
24
27
2
3
30
32
5
10
6
40
7
18
34
36
4
22
-1
26
12
20
28
9
35
15
23
1
16
25
13
29
-15
14
11
19
FIT
1:1
100%

Артикул

Название

Примечание

Количество

1

VV12979501900

STUD

1шт.

2

VV11962677210

ALTERNATOR,12V, 55 Amp

Assy

1шт.

3

VVX9490561001

NUT

1шт.

4

VV12905277380

ROTOR

Assy

1шт.

5

VV12530179240

BALL BEARING

1шт.

6

VV11962079250

COVER ASSY

Bearing

1шт.

7

VV12905277422

KIT

1шт.

8

VV11962079200

BALL BEARING

1шт.

9

VV11962079210

PLATE

1шт.

10

VV11962079220

SCREW

4шт.

11

VV11962079230

BOLT

Stud

2шт.

12

VV12840177440

COVER

1шт.

13

VV11962077461

PULLEY

1шт.

14

VV11962077471

NUT

1шт.

15

VV11962077490

COLLAR

1шт.

16

VV11962677710

REGULATOR

Assy

1шт.

17

VV12905279260

HOLDER

Sub, Rectifier

1шт.

18

VV12905279270

HOLDER

Brush

1шт.

19

VV11962079290

SCREW

6шт.

20

VV11962079300

SCREW

1шт.

21

VV11962079310

BOLT

3шт.

22

VV11962079320

SCREW

W/washer

2шт.

23

VV11962079330

BOLT

2шт.

24

VV11962079340

FOAM INSULATION

Bush

1шт.

25

VV11962079350

NUT

2шт.

26

VV11962677450

COVER ASSY

End, Rr

1шт.

27

VV26306100002

NUT,M10

1шт.

28

VV11994077270

SPACER

Adjuster

1шт.

29

VV12964277310

ADJUSTER

Belt

1шт.

30

VV11962477351

BLOCK

Generator Cmp

1шт.

32

VV26106081004

BOLT

8*100

1шт.

33

VV26306080002

NUT,M8

1шт.

34

VV26106080452

BOLT,M8 x 45mm

M 8 x 45 Plated

1шт.

35

VV26106080552

BOLT,M8 x 55mm

M 8 x 55 Plated

1шт.

36

VV11980277200

RELAY

Safety

1шт.

37

VV11965077910

RELAY

Grow

1шт.

40

VV12921177920

TIMER

Timer

1шт.

Выбрано товаров: 37