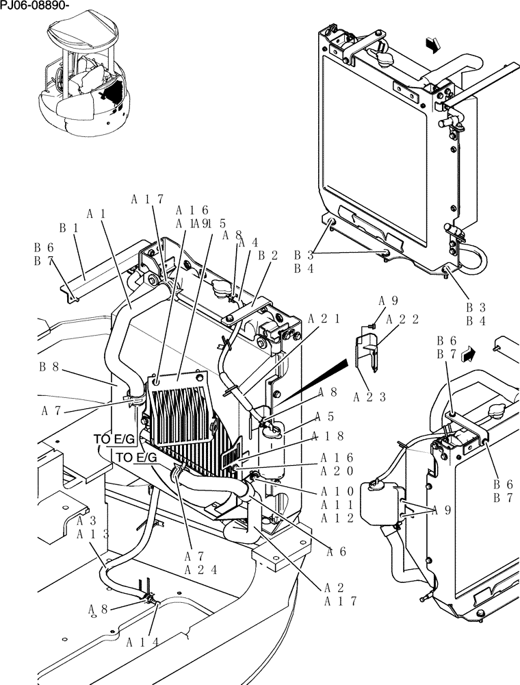
Запчасти Case CX50B (707-01[1]) - RADIATOR INSTAL COOLER (10) - ENGINE

Схема запчастей Case CX50B - (707-01[1]) - RADIATOR INSTAL COOLER (10) - ENGINE
b3
a22
b6
a14
b7
a7
b8
a1
b2
a5
a15
a11
a4
a2
a20
a19
a18
a23
a16
a7
a8
a10
a6
b1
a3
a17
a9
a17
a16
b4
a8
a12
b7
a8
b7
b3
b6
a9
b6
a24
a21
a13
b4
FIT
1:1
100%

Артикул

Название

Примечание

Количество

PH05P00024F1

Radiator

1шт.

a1

PH05P01221P1

RADIATOR HOSE

Radiator

1шт.

a2

PH05P01153P1

RADIATOR HOSE

Radiator

1шт.

a3

NSS

NOT SOLD SEPARAT

Hose

1шт.

a4

NSS

NOT SOLD SEPARAT

Hose

1шт.

a5

PU01P01024F1

RESERVOIR

Tank Assy, Water, Sub

1шт.

a6

ZC46X38014

CLIP

1шт.

a7

PH05P01088D3

CLIP

1шт.

a8

NSS

NOT SOLD SEPARAT

Clip

4шт.

a9

ZM61C06020

BOLT

Sems

4шт.

a10

ZS18C08020

SCREW,Hex, M8 x 20mm

1шт.

a11

ZW26X08000

LOCK WASHER

Lock

1шт.

a12

YR21C01161P1

WASHER,9mm ID x 22mm OD x 2.3mm Thk

1шт.

a13

PU13E01002DU

TUBE

1шт.

a14

PW05P01117P1

PLUG

1шт.

a15

PH05P01262P1

GUARD

1шт.

a16

ZW16X08000

WASHER,8mm ID x 17mm OD x 1.6mm Thk

4шт.

a17

PH05P01179P1

CLIP,35.5mm - 45.7mm

2шт.

a18

PH05P01285P1

GUARD

1шт.

a19

ZS18C08030

SCREW,Hex, M8 x 30mm

Cap

2шт.

a20

ZS18C08016

SCREW,Hex, M8 x 16mm

Cap

2шт.

a21

PU13E01002D4

TUBE

1шт.

a22

PH05P01282P1

BRACKET

1шт.

a23

YT02C01515D4

SOFT TRIM

1шт.

a24

ZC16X03300

FASTENER

Clip

1шт.

PH05P00027F1

Instal

1шт.

b1

PH05P01231P1

STAY

1шт.

b2

PH05P01232P1

STAY

1шт.

b3

ZS18C10030

SCREW,Hex, M10 x 30mm

Cap

3шт.

b4

ZW16H10000

WASHER

3шт.

b6

ZS18C08025

SCREW,Hex, M8 x 25mm

Cap

4шт.

b7

ZW16H08000

WASHER

4шт.

b8

PH05P00026F1

RADIATOR

Assy (See Fig No.034-01-1)

1шт.

Выбрано товаров: 33