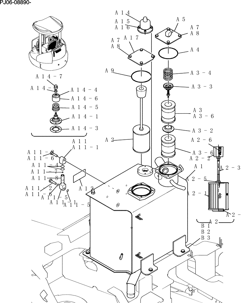
Запчасти Case CX50B (063-60[1]) - TANK ASSY, HYD NIBBLER & BREAKER (35) - HYDRAULIC SYSTEMS

Схема запчастей Case CX50B - (063-60[1]) - TANK ASSY, HYD NIBBLER & BREAKER (35) - HYDRAULIC SYSTEMS
a9
a14-6
a14
a2
a11-6
a2-3
a11
a15
a11-5
a14-2
a16
a3-3
a3
a3-4
a1
a2-7
a12
a11-4
a2-6
a4
b1
a11-1
a2-5
a14-4
a11-2
b2
a3-6
a11-1
a2-1
a14-5
a11-5
a14-3
a11-7
a3-6
a11-2
a7
a2-2
a14-7
a8
b3
a3-2
a14-1
a17
a11-8
a8
a11-6
a2
a5
a7
FIT
1:1
100%

Артикул

Название

Примечание

Количество

PH33H00030F1

Hyd

1шт.

a1

PH33H00026P1

TANK

1шт.

a2

PW50V00015F1

STRAINER ASSY.

Suction

1шт.

a2-1

PM50V00017S001

FILTER STRAINER

1шт.

a2-2

2446R176S2

HOLDER

1шт.

a2-3

PM50V00017S006

BOLT

1шт.

a2-5

ZN11C10008

NUT

2шт.

a2-6

2446R176S5

SPRING

1шт.

a2-7

NSS

NOT SOLD SEPARAT

O-ring

1шт.

a3

YR52V01001F2

FILTER ASSY

Return

1шт.

a3-2

YR52V01001S002

RUBBER JOINT

1шт.

a3-3

YR21V00001P1

VALVE

heck

1шт.

a3-4

YR52V01001S004

SPRING

1шт.

a3-6

YR52V01003P1

FILTER

Element

2шт.

a4

ZD11G11000

O-RING,109.40mm ID x 115.60mm OD x 3.10mm

1шт.

a5

PM33H01083P2

COVER

1шт.

a7

ZW26X08000

LOCK WASHER

Lock

8шт.

a8

ZS18C08016

SCREW,Hex, M8 x 16mm

Cap

8шт.

a9

ZD11G11500

O-RING,114.40mm ID x 120.60mm OD x 3.10mm

1шт.

a11

YN58S00009F3

GAUGE ASSY.

Level

1шт.

a11-1

NSS

NOT SOLD SEPARAT

Block

2шт.

a11-2

NSS

NOT SOLD SEPARAT

Capscrew

2шт.

a11-4

NSS

NOT SOLD SEPARAT

O-ring

4шт.

a11-5

NSS

NOT SOLD SEPARAT

O-ring

4шт.

a11-6

NSS

NOT SOLD SEPARAT

Washer

2шт.

a11-7

NSS

NOT SOLD SEPARAT

Ball

1шт.

a11-8

NSS

NOT SOLD SEPARAT

Gauge

1шт.

a12

YF33H01020P1

LABEL

1шт.

a14

YN57V00002F4

BREATHER ASSY.

1шт.

a14-1

2446U260S1

BODY

Assy

1шт.

a14-2

2446U260S5

NUT

1шт.

a14-3

2446U260S8

PACKING

1шт.

a14-4

YN57V00002S007

IDENTITY PLATE

Caution

1шт.

a14-5

YN57V00002S010

ELEMENT

1шт.

a14-6

YN57V00002S011

COVER

1шт.

a14-7

YN57V00002S012

CAP

1шт.

a15

ZS28C06016

SCREW,Hex Socket Head, M6 x 16mm

Cap

4шт.

a16

ZW26K06000

LOCK WASHER

4шт.

a17

PH33H01074P1

COVER

1шт.

k

YR52V01001R400

REPAIR KIT

Element Consists Of Ref. (A3-2x1), (A3-6x2)

1шт.

PH33H00014F1

Hyd

1шт.

b1

ZS18C10030

SCREW,Hex, M10 x 30mm

Cap

4шт.

b2

ZW16H10000

WASHER

4шт.

b3

YR20P01005D1

SHIM

(1.0)

3шт.

Выбрано товаров: 44