Запчасти Case CX50B (141-17[1]) - CONTROL LINES, REMOTE MULTI (35) - HYDRAULIC SYSTEMS

Схема запчастей Case CX50B - (141-17[1]) - CONTROL LINES, REMOTE MULTI (35) - HYDRAULIC SYSTEMS
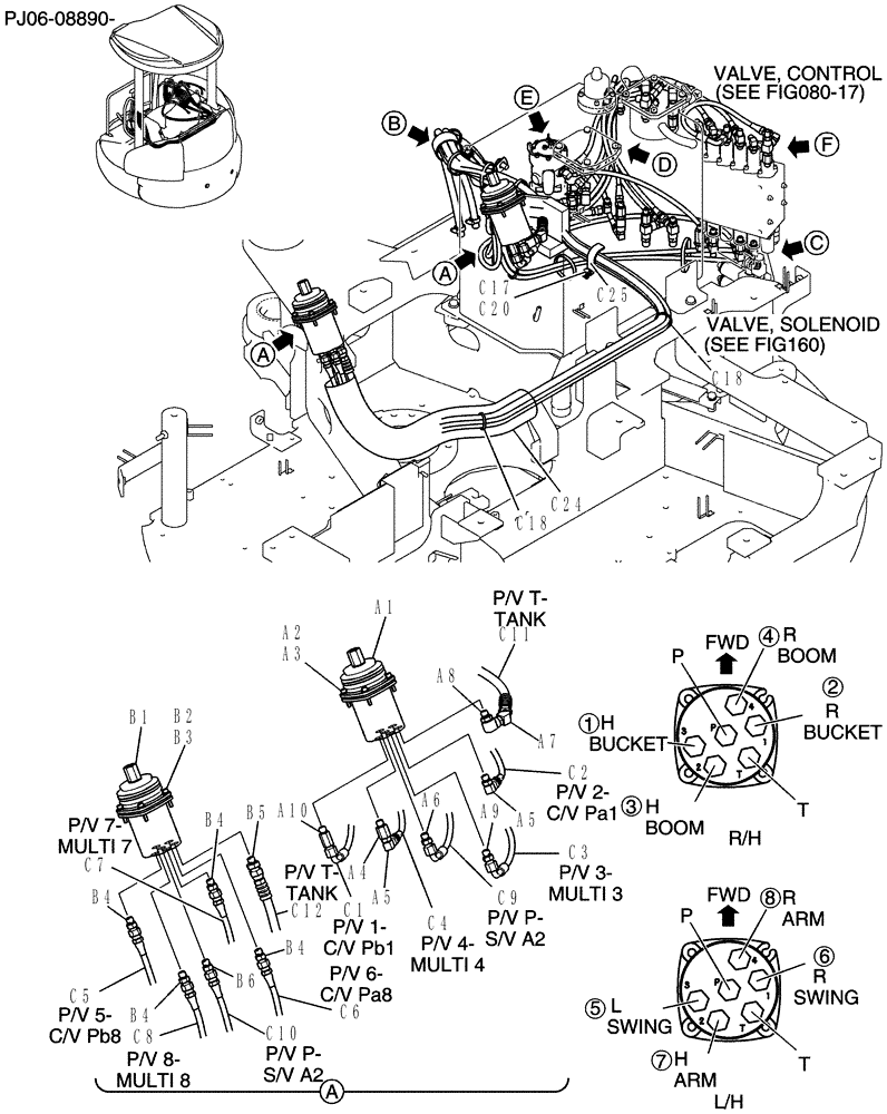
b4
b6
a9
a4
c1
c18
c3
c8
b1
a5
a2
b3
c18
b4
c25
b5
c17
a5
c20
c10
a8
c12
c2
c6
a3
c5
c24
b4
b4
a6
a10
c4
c7
a1
c11
b2
c9
a7
FIT
1:1
100%

Артикул

Название

Примечание

Количество

PY64H00066F1

Instal (right Side Std)

1шт.

a1

PX30V00043F4

PILOT VALVE

Pilot

1шт.

See (C.P.M)

1шт.

a2

ZS28C06030

SCREW,Hex Socket Head, M6 x 30mm

Cap

4шт.

a3

ZW16X06000

WASHER

4шт.

a4

2444Z2525

HYD CONNECTOR

1шт.

a5

HH35S04004G1

90 ELBOW

2шт.

a6

HH25S04004G3

HYD CONNECTOR

1шт.

a7

HH45S06004G1

45 ELBOW

1шт.

a8

2444Z2894

90 ELBOW

1шт.

a9

HH25S04004G1

HYD CONNECTOR

1шт.

a10

PU64H01002P1

HYD CONNECTOR

1шт.

PY64H00067F1

Instal (left Side Std)

1шт.

b1

PX30V00043F4

PILOT VALVE

Pilot

1шт.

See (C.P.M)

1шт.

b2

ZS28C06030

SCREW,Hex Socket Head, M6 x 30mm

Cap

4шт.

b3

ZW16X06000

WASHER

4шт.

b4

HH25S04004G1

HYD CONNECTOR

4шт.

b5

HH25S06004G3

HYD CONNECTOR

1шт.

b6

HH25S04004G3

HYD CONNECTOR

(with Filter)

1шт.

PY68H00020F1

Remote

1шт.

c1

HX33L04200DR

HOSE

1шт.

c2

HX23L04130DB

HOSE

1шт.

c3

HX33L04130DG

HOSE

1шт.

c4

HX23L04155DH

HOSE

1шт.

c5

HX23L04380DH

HOSE

1шт.

c6

HX23L04350DR

HYDRAULIC HOSE

Hose

1шт.

c7

HX23L04310DB

HYDRAULIC HOSE

Hose

1шт.

c8

HX23L04310DG

HOSE

1шт.

c9

HX34L04195DX

HOSE,6.3mm ID x 1950mm L

1шт.

c10

HX24L04350DX

HOSE,6.3mm ID x 3500mm L

1шт.

c11

PW68H01023DM

HYDRAULIC HOSE

1шт.

c12

PW68H01023DN

HYDRAULIC HOSE

1шт.

c17

ZS18C08016

SCREW,Hex, M8 x 16mm

Cap

1шт.

c18

PY01P01043D6

CABLE TIE,4.80mm W x 383mm L

2шт.

c20

ZW16H08000

WASHER

1шт.

c24

PM68H01057P1

COVER

1шт.

c25

PW68H01041P1

CLAMP

1шт.

Выбрано товаров: 38