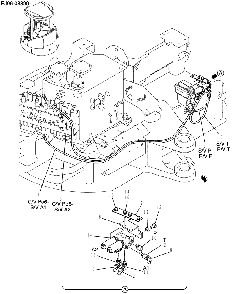
Запчасти Case CX50B (161-60[1]) - CONTROL LINES, REMOTE PROPORTIONAL (35) - HYDRAULIC SYSTEMS

Схема запчастей Case CX50B - (161-60[1]) - CONTROL LINES, REMOTE PROPORTIONAL (35) - HYDRAULIC SYSTEMS
5
8
11
9
4
6
2
14
7
16
1
10
3
11
13
12
9
17
15
FIT
1:1
100%

Артикул

Название

Примечание

Количество

PY64H00072F1

Control, Valve

1шт.

1

PW35V00002F1

SOLENOID VALVE

Valve Assy

1шт.

See (C.P.M)

1шт.

2

HX24L04032DX

HOSE ASSY.

1шт.

3

HX22L04042DX

HOSE

1шт.

4

HX24L04165DX

HOSE

1шт.

5

HX24L04200DX

HOSE

1шт.

6

PW64H01103P1

BRACKET, SUPPORTING

1шт.

7

PW64H01089P1

SUPPORT

1шт.

8

HH35S04004G1

90 ELBOW

1шт.

9

HH45S04004G1

45 ELBOW

2шт.

10

HH35S04004G2

90 ELBOW

(with Filter)

1шт.

11

2444Z2894

90 ELBOW

Elbow

2шт.

12

2444Z2525

HYD CONNECTOR

1шт.

13

ZM22C08020

BOLT

Sems

2шт.

14

ZS18C08025

SCREW,Hex, M8 x 25mm

Cap

2шт.

15

ZS18C10020

SCREW,Hex, M10 x 20mm

Cap

2шт.

16

ZW16H08000

WASHER

2шт.

17

ZW16H10000

WASHER

2шт.

Выбрано товаров: 19