Запчасти Case CX50B (06-016) - GUARD INSTAL, CAB (COOLER) P/N PH21C01484F1 OPTIONAL PARTS

Схема запчастей Case CX50B - (06-016) - GUARD INSTAL, CAB (COOLER) P/N PH21C01484F1 OPTIONAL PARTS
27
54
14-2
23
32
33
11-5
46
52
14-4
53
13
19-1
56
57
58
31
43
19-2
34
62
33
20
32
11-4
33
43
11-3
44
14
27
30
30
49
11-1
55
14-1
14-3
67
38
39
49
53
19
61
45
24
31
44
18
11
11-2
57
54
FIT
1:1
100%

Артикул

Название

Примечание

Количество

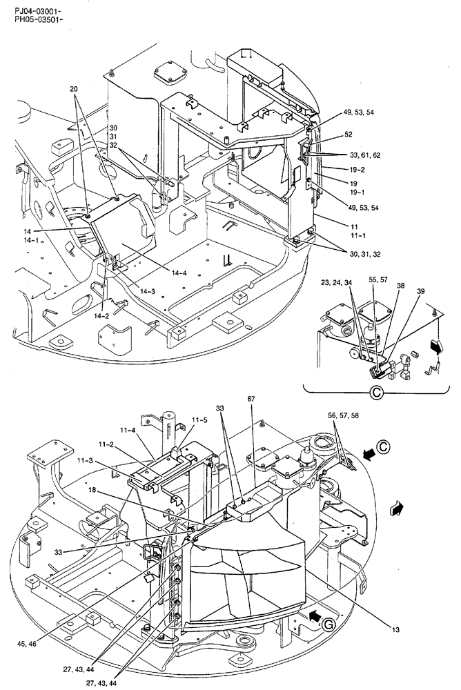
11

PH21C01484F1

SUPPORT ASSY.

1шт.

11-1

PH21C01427P1

SUPPORT

1шт.

11-2

PH21C01485P2

RUBBER

1шт.

11-3

PH21C01486P2

RUBBER

1шт.

11-4

PH21C01487P2

RUBBER

1шт.

11-5

PH21C01506P1

RUBBER

RUBBER

1шт.

13

PH22C01162F1

DUCT

ASSY

1шт.

14

PH21C01356F1

GUARD ASSY.

1шт.

14-1

PH21C01355P1

GUARD

1шт.

14-2

YN21C01692D6

STRIP

1шт.

14-3

YN21C01724D1

TRIM PANEL

1шт.

14-4

PH21C01476P1

FOAM INSULATION

1шт.

18

PH21C01359P2

STAY

Hold Open

1шт.

19

PH21C01388F1

PLATE ASSY.

1шт.

19-1

PH21C01319P1

PLATE

1шт.

19-2

PH21C01535P1

WEATHERSTRIP

1шт.

20

ZM22C08025

BOLT

SEMS

2шт.

23

ZW26X10000

LOCK WASHER

2шт.

24

ZW16X10000

WASHER

2шт.

27

ZW26X12000

LOCK WASHER

4шт.

30

ZS18C16050

SCREW,Hex, M16 x 50mm

CAP

4шт.

31

ZW26X16000

LOCK WASHER

4шт.

32

ZW16H16000

WASHER

4шт.

33

PM21C01142P1

BOLT

SEMS, Serial Range: PJ04-03001-PJ04-03219

3шт.

33

PM21C01142P1

BOLT

SEMS, Serial Range: PH05-03501-PH05-03642

3шт.

PM21C01142P1

BOLT

SEMS, Start Serial: PJ04-03220

5шт.

PM21C01142P1

BOLT

SEMS, Start Serial: PH05-03643

5шт.

34

ZS18C10025

SCREW,Hex, M10 x 25mm

2шт.

38

PH21C01405P2

PLATE

, Serial Range: PJ04-03001-PJ04-03219

1шт.

38

PH21C01405P2

PLATE

, Serial Range: PH05-03501-PH05-04175

1шт.

PH21C01405P3

PLATE

, Start Serial: PJ04-04595

1шт.

PH21C01405P3

PLATE

, Start Serial: PH05-04176

1шт.

39

PM21C01371P1

LOCK

1шт.

43

ZW16H12000

WASHER

4шт.

44

ZN18C12010

NUT

4шт.

45

ZW11X08000

WASHER

1шт.

46

2419R9D2

COTTER PIN

OD 08mm x 27.7mm Long

1шт.

49

ZW26X08000

LOCK WASHER

Lock

2шт.

52

PW21C01689P1

STRIKER PLATE

1шт.

53

ZS18C08020

SCREW,Hex, M8 x 20mm

2шт.

54

ZW16H08000

WASHER

2шт.

55

ZS18C06020

SCREW,Hex, M6 x 20mm

CAP, Serial Range: PJ04-03001-PJ04-03219

2шт.

55

ZS18C06020

SCREW,Hex, M6 x 20mm

CAP, Serial Range: PJ04-03501-PH05-03642

2шт.

ZS18C06025

SCREW,Hex, M6 x 25mm

CAP, Start Serial: PJ04-03220

2шт.

ZS18C06025

SCREW,Hex, M6 x 25mm

CAP, Start Serial: PH05-03643

2шт.

56

ZW26X06000

LOCK WASHER

2шт.

57

ZW16X06000

WASHER

, Serial Range: PJ04-03001-PJ04-03219

4шт.

57

ZW16X06000

WASHER

, Serial Range: PH05-03501-PH05-03642

4шт.

ZW16H06000

WASHER

, Start Serial: PJ04-03220

4шт.

ZW16H06000

WASHER

, Start Serial: PH05-03643

4шт.

58

ZN17C06005

NUT

, Serial Range: PJ04-03001-PJ04-03219

2шт.

58

ZN17C06005

NUT

, Serial Range: PH05-03501-PH05-03642

2шт.

ZN18C06005

NUT

, Start Serial: PJ04-03220

2шт.

ZN18C06005

NUT

, Start Serial: PH05-03643

2шт.

61

PA21C01133P1

BOLT

SEMS, Serial Range: PJ04-03001-PJ04-03219

2шт.

61

PA21C01133P1

BOLT

SEMS, Serial Range: PH05-03501-PH05-03642

2шт.

62

PW21C01699D1

SHIM

2шт.

67

PH21C01528P1

BOX

1шт.

Выбрано товаров: 58