Запчасти Case CX50B (04-006) - CYLINDER INSTAL Attachments

Схема запчастей Case CX50B - (04-006) - CYLINDER INSTAL Attachments
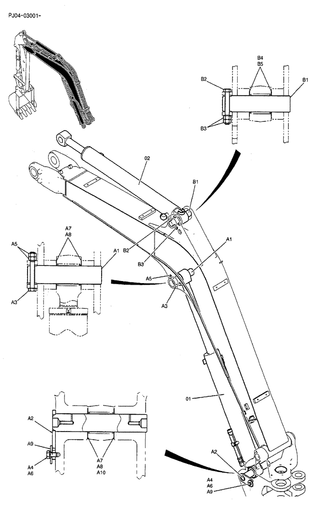
b2
b5
a5
a7
a1
a3
02
a1
a2
a8
a8
a4
b3
b3
a6
a9
a7
a3
b1
a4
a6
b1
a9
a2
b4
01
a10
a5
b2
FIT
1:1
100%

Артикул

Название

Примечание

Количество

NSS

NOT SOLD SEPARAT

CYLINDER INSTAL

1шт.

1

PY01V00037F1

CYLINDER

ASSY, BOOM (CANOPY), Serial Range: PJ04-03001-PJ04-03606

1шт.

SEE (C.P.M.)

1шт.

PY01V00037F2

CYLINDER,Double Acting, 55mm Rod, 699mm Stroke

CYLINDER ASSY, BOOM (CANOPY), Start Serial: PJ04-03607

1шт.

SEE (C.P.M.)

1шт.

PY01V00038F1

CYLINDER

CYLINDER ASSY, BOOM (CAB), Serial Range: PJ04-03001-PJ04-03606

1шт.

SEE (C.P.M.)

1шт.

PY01V00038F2

CYLINDER,Double Acting, 55mm Rod, 666mm Stroke

ASSY, BOOM (CAB), Start Serial: PJ04-03607

1шт.

SEE (C.P.M.)

1шт.

2

PY01V00042F1

CYLINDER

ASSY, ARM, Serial Range: PJ04-03001-PJ04-03591

1шт.

SEE (C.P.M.)

1шт.

PY01V00042F2

CYLINDER

ASSY, ARM, Start Serial: PJ04-03592

1шт.

SEE (C.P.M.)

1шт.

PH02B00035F1

CYLINDER

INSTAL, BOOM

1шт.

a1

PH02B01054P1

PIN,50mm OD x 213mm L

1шт.

a2

PH02B01052P2

PIN

, Serial Range: PJ04-03001-PJ04-03581

1шт.

PH02B01052P3

PIN

PIN, Start Serial: PJ04-03582

1шт.

a3

HS18C12100G2

SCREW

CAP

1шт.

a4

ZS18C12020

SCREW,Hex, M12 x 20mm

1шт.

a5

ZN18C12010

NUT

2шт.

a6

ZW26X12000

LOCK WASHER

1шт.

a7

B16T0442D54

SHIM,52mm ID x 80mm OD x 0.5mm Thk

4шт.

a8

B16T0442D41

SHIM,80mm OD x 52mm ID x 0.9mm Thk

3шт.

a9

2418T17895

WASHER

1шт.

a10

B16T0442D24

SHIM,80mm OD x 52mm ID x 2.3mm Thk

3шт.

PH02B00038F1

CYLINDER

INSTAL, ARM

1шт.

b1

PH02B01060P1

PIN

1шт.

b2

HS18C12090G1

SCREW

CAP

1шт.

b3

ZN18C12010

NUT

2шт.

b4

YJ12B01043P1

SHIM,0.5mm Thk

2шт.

b5

B16T0442D61

SHIM,47mm ID x 70mm OD x 0.9mm Thk

2шт.

Выбрано товаров: 31